h1_key

TI(德州仪器) LM2754
德州仪器 (TI) 全系列产品在线购买
  • TI(德州仪器) LM2754
  • TI(德州仪器) LM2754
  • TI(德州仪器) LM2754
  • TI(德州仪器) LM2754
  • TI(德州仪器) LM2754
  • TI(德州仪器) LM2754
立即查看
您当前的位置: 首页 > 电源管理 > LED 驱动器 > 照明 LED 驱动器 > LM2754
LM2754

LM2754

正在供货

具有超时保护功能的 800mA 开关电容器 LED 闪光灯驱动器

产品详情
  • 说明
  • 特性
  • 参数
  • 封装 | 引脚 | 尺寸

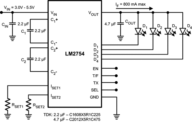
The LM2754 is an integrated low noise, high current switched capacitor DC/DC converter with four regulated current sinks. The device is optimized for driving 1 to 4 high power white LEDs in parallel with a maximum current of 800mA. Maximum efficiency is achieved over the input voltage range by actively selecting the proper gain based on the LED forward voltage and current requirements.

Two external low power resistors set the desired current for Torch and Flash modes. The TX pin allows the device to be forced into Torch mode during a Flash pulse, allowing for synchronization between the RF power amplifier pulse and Flash/Torch modes. To protect the device and Flash LEDs, internal Time-Out circuitry turns off the LM2754 in case of a faulty prolonged Flash mode. Internal soft-start circuitry limits the amount of inrush current during start-up.

The LM2754 is available in a small 24-pin thermally enhanced WQFN package.

  • Up to 800mA Output Current
  • Wide Operating Input Voltage Range: 2.8V to 5.5V
  • Drives 1, 2, 3 or 4 LEDs in Parallel
  • Ability to Disable One Current Sink Via the SEL Pin to Accommodate 3-LED Flash Modules
  • Time-Out Circuitry Limits Flash Duration to 1 Second
  • TX Input Ensures Synchronization with RF Power Amplifier Pulse
  • Adaptive 1x, 1.5x and 2x Gains for Maximum Efficiency
  • 1MHz Constant Frequency Operation
  • Output Current Limit
  • True Shutdown Output Disconnect
  • <1µA Shutdown Current
  • Internal Soft-Start Limits Inrush Current
  • No Inductor Required
  • Total Solution Size without LED <28mm2
  • Low Profile 24-Pin WQFN Package (4mm x 4mm x 0.8mm)

All trademarks are the property of their respective owners.

Input voltage typeDC/DC
TopologyCharge pump, current mode
Vin (min) (V)2.8
Vin (max) (V)5.5
Vout (max) (V)5.5
Vout (min) (V)3
Iout (max) (A)0.8
Iq (typ) (mA)3.4
FeaturesEnable, True Shutdown
Operating temperature range (°C)-40 to 85
Dimming methodAnalog, PWM
Number of channels4
RatingCatalog
WQFN (RTW)2416 mm² 4 x 4
产品购买
  • 商品型号
  • 封装
  • 工作温度
  • 包装
  • 价格
  • 现货库存
  • 操作
10s
温馨提示:
订单商品问题请移至我的售后服务提交售后申请,其他需投诉问题可移至我的投诉提交,我们将在第一时间给您答复
返回顶部