h1_key

TI(德州仪器) LM3687
德州仪器 (TI) 全系列产品在线购买
  • TI(德州仪器) LM3687
  • TI(德州仪器) LM3687
  • TI(德州仪器) LM3687
  • TI(德州仪器) LM3687
  • TI(德州仪器) LM3687
  • TI(德州仪器) LM3687
立即查看
您当前的位置: 首页 > 电源管理 > 多通道 IC (PMIC) > LM3687
LM3687

LM3687

正在供货

具有集成低压降稳压器和启动模式的降压直流/直流转换器

产品详情
  • 说明
  • 特性
  • 参数
  • 封装 | 引脚 | 尺寸

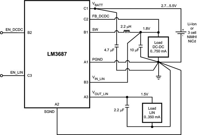
The LM3687 is a step-down DC-DC converter with an integrated low dropout Linear Regulator optimized for powering ultra-low voltage circuits from a single Li-Ion cell or 3 cell NiMH/NiCd batteries. It provides a dual output with fixed output voltages and combined load current up to 750mA in post regulation mode or 1100mA in independent mode of operation, over an input voltage range from 2.7V to 5.5V. There are several different fixed output voltage combinations available (refer to ).

The Linear Regulator being driven from the fixed output voltage of the buck converter (post regulation) translates to high efficiency.

The device offers superior features and performance for mobile phones and similar portable applications with complex power management systems. Automatic intelligent switching between PWM low-noise and PFM low-current mode offers improved efficiency over the full load current range. During full-power operation, a fixed-frequency 1.8MHz (typ.) PWM mode drives loads from ~80mA to 750mA max. Hysteretic PFM mode extends the battery life through reduction of the quiescent current during light loads and system standby.

The LM3687 also features internal protection against over-temperature, current overload and under-voltage conditions.

Two enable pins allow the separate operation of either the DC-DC or the Linear Regulator alone or both. If the power input voltage for the Linear Regulator VIN_LIN is not sufficiently high (e.g. the DC-DC converter is not enabled or starting up) a startup LDO supplies the Linear Regulator Output from VBATT for 50mA rated load current (Startup Mode). If VIN_LIN is at the required voltage level, the startup LDO is deactivated and the main regulator provides 350mA output current. In shutdown mode (Enable pins pulled low) the device turns off and reduces battery consumption to 0.1µA (typ.).

The LM3687 is available in a tiny, lead-free (NO PB) 9-bump DSBGA package. A high switching frequency of 1.8MHz (typ.) allows the use of tiny surface-mount components. Only four external components -one inductor and three ceramic capacitors- are required.

    DC-DC Converter:

  • 750mA Maximum Load Capability
  • 1.8MHz PWM Fixed Switching Frequency (Typ.)
  • Automatic PFM/PWM Mode Switching
  • 27µA typ. Quiescent Current
  • Internal Synchronous Rectification for High Efficiency
  • Internal Soft Start
  • Dual Rail Linear Regulator:

  • Startup Mode
  • Load Transients < 25mVpeak Typ.
  • Line Transients < 1mVpeak Typ.
  • Very Low Dropout Voltage: 82mV Typ. at 350mA Load Current
  • 0.7V ≤ VIN_LIN ≤ 4.5V
  • 10µA Typical IQ from VIN_LIN
  • 350mA Maximum Load Capability
  • Combined Common Features:

  • 65µA typical Quiescent Current from VBATT if Both Regulators are Enabled
  • 750mA Maximum Combined Load Capability in Post Regulation Setup (DC-DC 400mA + Linear Regulator 350mA)
  • 1100mA Maximum Total Load Capability in Independent Mode of Operation (DC-DC: 750mA, Linear Regulator: 350mA)
  • Operates from a Single Li-Ion Cell or 3 Cell NiMH/NiCd Batteries
  • Only Four Tiny Surface-Mount External Components Required (One Inductor, Three Ceramic Capacitors)
  • Small 9-Bump DSBGA Package
  • Over-Temperature, Current Overload and Under-Voltage Protection

All trademarks are the property of their respective owners.

Regulated outputs (#)2
ConfigurabilityFactory programmable
Vin (min) (V)0.7
Vin (max) (V)5.5
Iout (max) (A)0.75
FeaturesAutomatic PFM/PWM mode switching
Step-up DC/DC converter0
Step-down DC/DC converter1
Step-down DC/DC controller0
Step-up DC/DC controller0
LDO1
Iq (typ) (mA)0.01
RatingCatalog
Switching frequency (max) (kHz)2300
Operating temperature range (°C)-30 to 125
Processor supplierGeneric
Processor nameGeneric
Shutdown current (ISD) (typ) (µA)0.1
Switching frequency (typ) (kHz)1800
DSBGA (YZR)93.0625 mm² 1.75 x 1.75
产品购买
  • 商品型号
  • 封装
  • 工作温度
  • 包装
  • 价格
  • 现货库存
  • 操作
10s
温馨提示:
订单商品问题请移至我的售后服务提交售后申请,其他需投诉问题可移至我的投诉提交,我们将在第一时间给您答复
返回顶部