h1_key

TI(德州仪器) BQ24070
德州仪器 (TI) 全系列产品在线购买
  • TI(德州仪器) BQ24070
  • TI(德州仪器) BQ24070
  • TI(德州仪器) BQ24070
  • TI(德州仪器) BQ24070
  • TI(德州仪器) BQ24070
  • TI(德州仪器) BQ24070
立即查看
您当前的位置: 首页 > 电源管理 > 电池管理 IC > 电池充电器 IC > BQ24070
BQ24070

BQ24070

正在供货

具有电源路径、稳压输出为 4.4V 的单节 2A 锂离子线性电池充电器

产品详情
  • 说明
  • 特性
  • 参数
  • 封装 | 引脚 | 尺寸

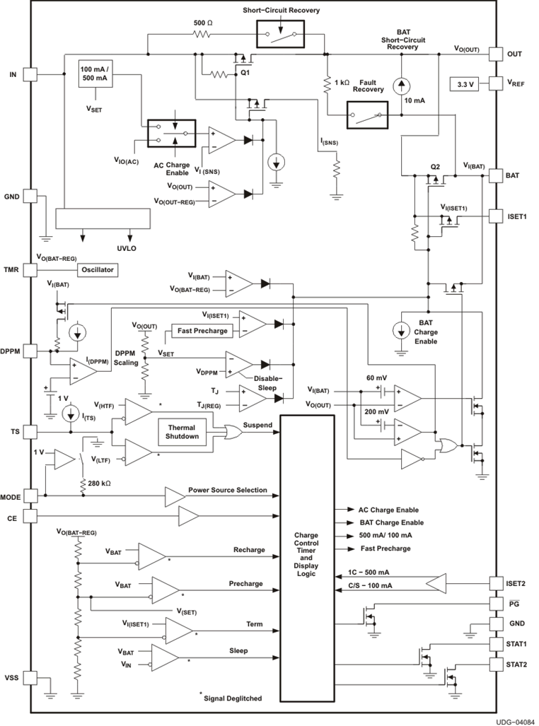
The bq24070 and bq24071 are highly integrated Li-ion linear charger and system power-path management devices targeted at space-limited portable applications. The bq2407x devices offer DC supply (AC adapter) power-path management with autonomous power-source selection, power FETs and current sensors, high-accuracy current and voltage regulation, charge status, and charge termination, in a single monolithic device.

The bq2407x devices power the system while independently charging the battery. This feature reduces the charge and discharge cycles on the battery, allows for proper charge termination, and allows the system to run with an absent or defective battery pack. This feature also allows for the system to instantaneously turn on from an external power source in the case of a deeply discharged battery pack. The IC design is focused on supplying continuous power to the system when available from the AC adapter or battery sources.

  • Small 3.5-mm × 4.5-mm VQFN Package
  • Designed for Single-Cell Li-Ion- or Li-Polymer-
    Based Portable Applications
  • Integrated Dynamic Power-Path Management (DPPM)
    Feature Allowing the AC Adapter to Simultaneously
    Power the System and Charge the Battery
  • Power Supplement Mode Allows Battery to Supplement
    the AC Input Current
  • Autonomous Power Source Selection (AC Adapter
    or BAT)
  • Supports Up to 2 A Total Current
  • Thermal Regulation for Charge Control
  • Charge Status Outputs for LED or System Interface
    Indicates Charge and Fault Conditions
  • Reverse Current, Short-Circuit, and Thermal
    Protection
  • Power Good Status Outputs
  • 4.4-V and 6-V Options for System Output Regulation
    Voltage
Number of series cells1
Charge current (max) (A)1.5
Vin (max) (V)16
Cell chemistryLi-Ion/Li-Polymer
Battery charge voltage (min) (V)4.2
Battery charge voltage (max) (V)4.2
Absolute max Vin (max) (V)18
Control topologyLinear
Control interfaceStandalone (RC-Settable)
FeaturesBAT temp thermistor monitoring (hot/cold profile), IC thermal regulation, Power Path
Vin (min) (V)4.35
RatingCatalog
Operating temperature range (°C)-40 to 85
VQFN (RHL)2015.75 mm² 4.5 x 3.5
产品购买
  • 商品型号
  • 封装
  • 工作温度
  • 包装
  • 价格
  • 现货库存
  • 操作
10s
温馨提示:
订单商品问题请移至我的售后服务提交售后申请,其他需投诉问题可移至我的投诉提交,我们将在第一时间给您答复
返回顶部