h1_key

TI(德州仪器) LP3958
德州仪器 (TI) 全系列产品在线购买
  • TI(德州仪器) LP3958
  • TI(德州仪器) LP3958
  • TI(德州仪器) LP3958
  • TI(德州仪器) LP3958
  • TI(德州仪器) LP3958
  • TI(德州仪器) LP3958
立即查看
您当前的位置: 首页 > 电源管理 > LED 驱动器 > 背光 LED 驱动器 > LP3958
LP3958

LP3958

正在供货

具有高压升压转换器的照明管理单元

产品详情
  • 说明
  • 特性
  • 参数
  • 封装 | 引脚 | 尺寸

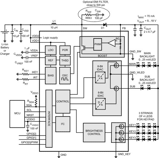
LP3958 is a Lighting Management Unit for portable applications. It is used to drive display backlight and keypad LEDs. The device can drive 5 separately connected strings of LEDs with high voltage boost converter.

The keypad LED driver allows driving LEDs from high voltage boost converter or separate supply voltage.The MAIN and SUB outputs are high resolution current mode drivers. Keypad LED outputs can be used in switch mode and current mode. External PWM control can be used for any selected outputs.

The device is controlled through 2-wire low voltage I2C compatible interface that reduces the number of required connections.

LP3958 is offered in a tiny 25-bump DSBGA package.

  • High-Efficiency Boost Converter With Programmable Output Voltage
  • Two Individual Drivers for Serial Display Backlight LEDs
  • Three Drivers for Serial Keypad LEDs
  • Automatic Dimming Controller
  • Stand Alone Serial Leypad LEDs Controller
  • Three General-Purpose IO Pins
  • 25-Bump DSBGA Package: 2.54mm x 2.54mm x 0.6mm

All trademarks are the property of their respective owners.

Number of channels5
Vin (min) (V)3
Vin (max) (V)5.5
Vout (min) (V)8
Vout (max) (V)18
TypeInductive
Switching frequency (max) (kHz)1000
Duty cycle (max) (%)100
LED current per channel (mA)25
Peak efficiency (%)90
TopologyBoost
FeaturesI2C control
Operating temperature range (°C)-30 to 85
RatingCatalog
DSBGA (YZR)257.5625 mm² 2.75 x 2.75
产品购买
  • 商品型号
  • 封装
  • 工作温度
  • 包装
  • 价格
  • 现货库存
  • 操作
10s
温馨提示:
订单商品问题请移至我的售后服务提交售后申请,其他需投诉问题可移至我的投诉提交,我们将在第一时间给您答复
返回顶部