h1_key

TI(德州仪器) UCC2895-EP
德州仪器 (TI) 全系列产品在线购买
  • TI(德州仪器) UCC2895-EP
  • TI(德州仪器) UCC2895-EP
  • TI(德州仪器) UCC2895-EP
  • TI(德州仪器) UCC2895-EP
  • TI(德州仪器) UCC2895-EP
  • TI(德州仪器) UCC2895-EP
立即查看
您当前的位置: 首页 > 电源管理 > 交流/直流和隔离式直流/直流开关稳压器 > PWM 控制器 > UCC2895-EP
UCC2895-EP

UCC2895-EP

正在供货

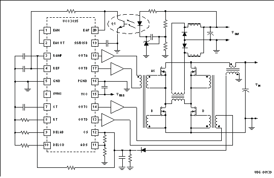
增强型产品 Bicmos 高级相移 Pwm 控制器

产品详情
  • 说明
  • 特性
  • 参数
  • 封装 | 引脚 | 尺寸
TopologyPhase-shifted full bridge
Control modeCurrent
Duty cycle (max) (%)100
Switching frequency (max) (kHz)527
FeaturesAdjustable switching frequency, Current limiting, Error amplifier, Multi-topology, Soft start, Soft switching, Synchronization pin
UVLO thresholds on/off (V)43413
Operating temperature range (°C)-55 to 125
RatingHiRel Enhanced Product
Gate drive (typ) (A)0.1
Vin (max) (V)16.5
SOIC (DW)20131.84 mm² 12.8 x 10.3
产品购买
  • 商品型号
  • 封装
  • 工作温度
  • 包装
  • 价格
  • 现货库存
  • 操作
10s
温馨提示:
订单商品问题请移至我的售后服务提交售后申请,其他需投诉问题可移至我的投诉提交,我们将在第一时间给您答复
返回顶部