h1_key

TI(德州仪器) TPS51124
德州仪器 (TI) 全系列产品在线购买
  • TI(德州仪器) TPS51124
  • TI(德州仪器) TPS51124
  • TI(德州仪器) TPS51124
  • TI(德州仪器) TPS51124
  • TI(德州仪器) TPS51124
  • TI(德州仪器) TPS51124
立即查看
您当前的位置: 首页 > 电源管理 > 直流/直流开关稳压器 > 降压稳压器 > TPS51124
TPS51124

TPS51124

正在供货

3-V to 28-V, dual-synchronous buck controller for low output voltage rails

产品详情
  • 说明
  • 特性
  • 参数
  • 封装 | 引脚 | 尺寸

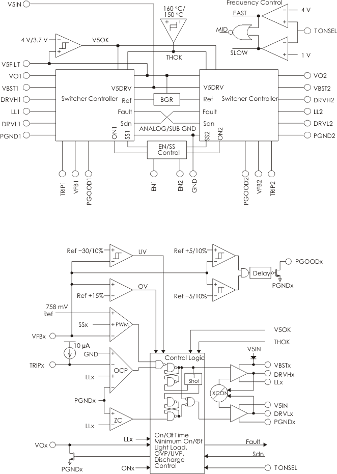
The TPS51124 is a dual, adaptive on-time D-CAP™ mode synchronous buck controller. The part enables system designers to cost effectively complete the suite of notebook power bus regulators with the absolute lowest external component count and lowest standby consumption. The fixed frequency emulated adaptive on-time control supports seamless operation between PWM mode at heavy load condition and reduced frequency operation at light load for high efficiency down to milliampere range. The main control loop for the TPS51124 uses the D-CAP mode that optimized for low ESR output capacitors such as POSCAP or SP-CAP promises fast transient response with no external compensation. Simple and separate power good signals for each channel allow flexibility of power sequencing. The part provides a convenient and efficient operation with supply input voltages (V5IN, V5FILT) ranging from 4.5 V to 5.5 V, conversion voltages (drain voltage for the synchronous high-side MOSFET) from 3 V to 28 V and output voltages from 0.76 V to 5.5 V.

The TPS51124 is available in 24-pin VQFN package specified from –40°C to 85°C ambient temperature range.

  • High Efficiency, Low-Power Consumption, Shutdowns to <1 µA
  • Fixed Frequency Emulated On-Time Control, Frequency Selectable
    From Three Options
  • D-CAP Mode Enables Fast Transient Response
  • Auto-Skip Mode
  • Less Than 1% Initial Reference Accuracy
  • Low Output Ripple
  • Wide Input Voltage Range: 3 V to 28 V
  • Output Voltage Range: 0.76 V to 5.5 V
  • Low-Side RDS(ON) Loss-less Current Sensing
  • Adaptive Gate Drivers With Integrated Boost Diode
  • Internal 1.2-ms Voltage-Servo Soft-Start
  • Powergood Signals for Each Channel With Delay Timer
  • Output Discharge During Disable, Fault
  • APPLICATIONS
    • Notebook I/O and Low-Voltage System Bus

All other trademarks are the property of their respective owners

Vin (min) (V)3
Vin (max) (V)28
Vout (min) (V)0.76
Vout (max) (V)5.5
Iout (max) (A)15
Iq (typ) (mA)0.35
Switching frequency (min) (kHz)240
Switching frequency (max) (kHz)420
FeaturesEnable, Light Load Efficiency, Power good, Synchronous Rectification
Operating temperature range (°C)-40 to 85
Regulated outputs (#)2
Number of phases1
RatingCatalog
Control modeD-CAP
TypeController
VQFN (RGE)2416 mm² 4 x 4
产品购买
  • 商品型号
  • 封装
  • 工作温度
  • 包装
  • 价格
  • 现货库存
  • 操作
10s
温馨提示:
订单商品问题请移至我的售后服务提交售后申请,其他需投诉问题可移至我的投诉提交,我们将在第一时间给您答复
返回顶部