h1_key

TI(德州仪器) LM5642X
德州仪器 (TI) 全系列产品在线购买
  • TI(德州仪器) LM5642X
  • TI(德州仪器) LM5642X
  • TI(德州仪器) LM5642X
  • TI(德州仪器) LM5642X
  • TI(德州仪器) LM5642X
  • TI(德州仪器) LM5642X
立即查看
您当前的位置: 首页 > 电源管理 > 直流/直流开关稳压器 > 降压稳压器 > LM5642X
LM5642X

LM5642X

正在供货

具有振荡器同步的高电压、双路同步降压转换器

产品详情
  • 说明
  • 特性
  • 参数
  • 封装 | 引脚 | 尺寸

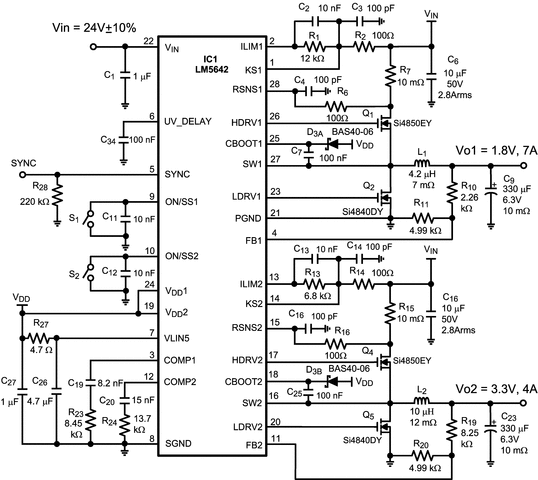
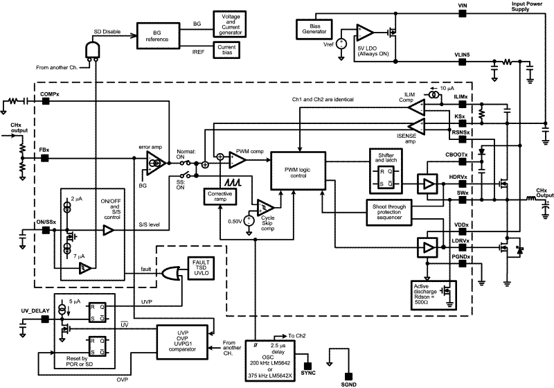
The LM5642 series consists of two current mode synchronous buck regulator controllers operating 180° out of phase with each other at a normal switching frequency of 200kHz for the LM5642 and at 375kHz for the LM5642X.

Out of phase operation reduces the input RMS ripple current, thereby significantly reducing the required input capacitance. The switching frequency can be synchronized to an external clock between 150 kHz and 250 kHz for the LM5642 and between 200 kHz and 500 kHz for the LM5642X. The two switching regulator outputs can also be paralleled to operate as a dual-phase, single output regulator.

The output of each channel can be independently adjusted from 1.3V to 90% of Vin. An internal 5V rail is also available externally for driving bootstrap circuitry.

Current-mode feedback control assures excellent line and load regulation and wide loop bandwidth for excellent response to fast load transients. Current is sensed across either the Vds of the top FET or across an external current-sense resistor connected in series with the drain of the top FET.

The LM5642 features analog soft-start circuitry that is independent of the output load and output capacitance making the soft-start behavior more predictable and controllable than traditional soft-start circuits.

Over-voltage protection is available for both outputs. A UV-Delay pin is also available to allow delayed shut off time for the IC during an output under-voltage event.

  • Two Synchronous Buck Regulators
  • 180° Out of Phase Operation
  • 200 kHz Fixed Nominal Frequency: LM5642
  • 375 kHz Fixed Nominal Frequency: LM5642X
  • Synchronizable Switching Frequency from 150 kHz to 250 kHz for the LM5642 and 200 kHz to 500 kHz for the LM5642X
  • 4.5V to 36V Input Range
  • 50 µA Shutdown Current
  • Adjustable Output from 1.3V to 90% of Vin
  • 0.04% (Typical) Line and Load Regulation Accuracy
  • Current Mode Control with or without a Sense Resistor
  • Independent Enable/Soft-start Pins Allow Simple Sequential Startup Configuration.
  • Configurable for Single Output Parallel Operation.
  • Adjustable Cycle-by-cycle Current Limit
  • Input Under-voltage Lockout
  • Output Over-voltage Latch Protection
  • Output Under-voltage Protection with Delay
  • Thermal Shutdown
  • Self Discharge of Output Capacitors when the Regulator is OFF
  • TSSOP and HTSSOP (Exposed PAD) Packages

All trademarks are the property of their respective owners.

Vin (min) (V)4.5
Vin (max) (V)36
Vout (min) (V)1.236
Vout (max) (V)34
Iout (max) (A)20
Iq (typ) (mA)1.1
Switching frequency (min) (kHz)200
Switching frequency (max) (kHz)500
FeaturesEnable, Frequency synchronization
Operating temperature range (°C)-40 to 125
Regulated outputs (#)2
Number of phases2
RatingCatalog
Control modecurrent mode
TypeController
HTSSOP (PWP)2862.08 mm² 9.7 x 6.4
TSSOP (PW)2862.08 mm² 9.7 x 6.4
产品购买
  • 商品型号
  • 封装
  • 工作温度
  • 包装
  • 价格
  • 现货库存
  • 操作
10s
温馨提示:
订单商品问题请移至我的售后服务提交售后申请,其他需投诉问题可移至我的投诉提交,我们将在第一时间给您答复
返回顶部