h1_key

TI(德州仪器) LM27951
德州仪器 (TI) 全系列产品在线购买
  • TI(德州仪器) LM27951
  • TI(德州仪器) LM27951
  • TI(德州仪器) LM27951
  • TI(德州仪器) LM27951
  • TI(德州仪器) LM27951
  • TI(德州仪器) LM27951
立即查看
您当前的位置: 首页 > 电源管理 > LED 驱动器 > 背光 LED 驱动器 > LM27951
LM27951

LM27951

正在供货

输入电压范围为 2.8V-5.5V 的白光 LED 自适应 1.5X/1X 开关电容器电流驱动器

产品详情
  • 说明
  • 特性
  • 参数
  • 封装 | 引脚 | 尺寸

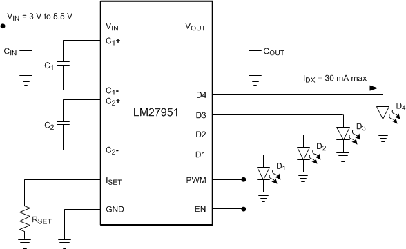
The LM27951 is a switched capacitor white-LED driver capable of driving up to four LEDs with 30 mA through each LED. Its four tightly regulated current sources ensure excellent LED current and brightness matching. LED drive current is programmed by an external sense resistor. The LM27951 operates over an input voltage range from 2.8 V to 5.5 V and requires only four low-cost ceramic capacitors.

The LM27951 provides excellent efficiency without the use of an inductor by operating the charge pump in a gain of 3/2, or in a gain of 1. Maximum efficiency is achieved over the input voltage range by actively selecting the proper gain based on the LED forward voltage requirements.

The LM27951 uses constant frequency pre-regulation to minimize conducted noise on the input. It has a fixed 750-kHz switching frequency optimized for portable applications. The LM27951 consumes less than 1 µA of supply current when shut down.

The LM27951 is available in a 14-pin no-pullback WSON package.

For all available packages, see the orderable addendum at the end of the data sheet.

  • Input Voltage Range: 2.8 V to 5.5 V
  • Drives up to Four LEDs With up to 30 mA each
  • Regulated Current Sources with 0.2% (Typical) Matching
  • 3/2×, 1× Gain Transition Based on LED Vƒ
  • Peak Efficiency Over 85%
  • PWM Brightness Control
  • Very Small Solution Size - No Inductor
  • Fixed 750-kHz Switching Frequency
  • < 1-µA Shutdown Current
Number of channels4
Vin (min) (V)2.8
Vin (max) (V)5.5
Vout (min) (V)2.8
Vout (max) (V)5.5
TypeCapacitive
Switching frequency (max) (kHz)975
Duty cycle (max) (%)100
LED current per channel (mA)30
Peak efficiency (%)85
TopologyBoost
FeaturesDirect PWM Dimming
Operating temperature range (°C)-40 to 85
RatingCatalog
WSON (NHK)1412 mm² 4 x 3
产品购买
  • 商品型号
  • 封装
  • 工作温度
  • 包装
  • 价格
  • 现货库存
  • 操作
10s
温馨提示:
订单商品问题请移至我的售后服务提交售后申请,其他需投诉问题可移至我的投诉提交,我们将在第一时间给您答复
返回顶部