h1_key

TI(德州仪器) TPS65020
德州仪器 (TI) 全系列产品在线购买
  • TI(德州仪器) TPS65020
  • TI(德州仪器) TPS65020
  • TI(德州仪器) TPS65020
  • TI(德州仪器) TPS65020
  • TI(德州仪器) TPS65020
  • TI(德州仪器) TPS65020
立即查看
您当前的位置: 首页 > 电源管理 > 多通道 IC (PMIC) > TPS65020
TPS65020

TPS65020

正在供货

6 通道电源管理 IC (PMIC),具有 3 个直流/直流转换器、3 个 LDO、I2C 接口和动态电压调节功能

产品详情
  • 说明
  • 特性
  • 参数
  • 封装 | 引脚 | 尺寸

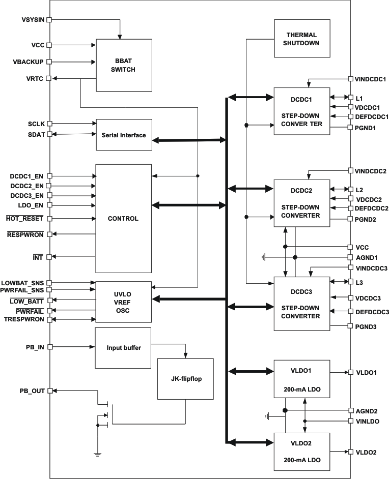
The TPS65020 device is an integrated power management IC for applications powered by one Li-Ion or Li-Polymer cell, and which requires multiple power rails.

The TPS65020 device provides three highly efficient, step-down converters targeted at providing the core voltage, peripheral, I/O, and memory rails in a processor-based system. All three step-down converters enter a low-power mode at light load for maximum efficiency across the widest possible range of load currents.

The TPS65020 device also integrates two 200-mA LDO voltage regulators, which are enabled with an external input pin. Each LDO operates with an input voltage range from 1.5 V to 6.5 V, thus allowing them to be supplied from one of the step-down converters or directly from the main battery. The two 200-mA LDO voltage regulators are intended for use with the SDRAM and PLL power supply in an Intel PXA270-based system. The serial interface is used for dynamic voltage scaling of the core voltage, masking interrupts, or for disabling or enabling and setting the LDO output voltages. The interface is compatible with both the fast and standard mode I2C specifications, allowing transfers at up to 400 kHz.

The TPS65020 incorporates a push-button debounced input and latched output for implementation of a push-button turnon feature, typically required in smart phones or wireless PDAs.

  • 1.2-A, 97% Efficient Step-Down Converter for
    System Voltage (VDCDC1)
  • 1-A, Up to 95% Efficient Step-Down Converter for
    Memory Voltage (VDCDC2)
  • 800-mA, 90% Efficient Step-Down Converter for
    Processor Core (VDCDC3)
  • 20-mA LDO and Switch for Real-Time Clock
    (VRTC)
  • 2 × 200-mA LDO for SRAM and PLL
  • Dynamic Voltage Management for Processor Core
  • Externally Adjustable Reset Delay Time
  • Battery Backup Functionality
  • Separate Enable Pins for Inductive Converters
  • I2C-Compatible Serial Interface
  • 85-µA Quiescent Current
  • Low Ripple PFM Mode
  • Thermal Shutdown Protection
  • Push-Button I/O
Regulated outputs (#)6
ConfigurabilityHardware configurable, Software configurable
Vin (min) (V)2.5
Vin (max) (V)6
Iout (max) (A)1.2
FeaturesComm control, Power good, Power sequencing
Step-up DC/DC converter0
Step-down DC/DC converter3
Step-down DC/DC controller0
Step-up DC/DC controller0
LDO3
Iq (typ) (mA)0.085
RatingCatalog
Switching frequency (max) (kHz)1700
Operating temperature range (°C)-40 to 85
Processor supplierMarvell
Processor namePXA
Shutdown current (ISD) (typ) (µA)23
Switching frequency (typ) (kHz)1500
VQFN (RHA)4036 mm² 6 x 6
产品购买
  • 商品型号
  • 封装
  • 工作温度
  • 包装
  • 价格
  • 现货库存
  • 操作
10s
温馨提示:
订单商品问题请移至我的售后服务提交售后申请,其他需投诉问题可移至我的投诉提交,我们将在第一时间给您答复
返回顶部