h1_key

TI(德州仪器) BQ29330
德州仪器 (TI) 全系列产品在线购买
  • TI(德州仪器) BQ29330
  • TI(德州仪器) BQ29330
  • TI(德州仪器) BQ29330
  • TI(德州仪器) BQ29330
  • TI(德州仪器) BQ29330
  • TI(德州仪器) BQ29330
立即查看
您当前的位置: 首页 > 电源管理 > 电池管理 IC > 电池监测器和平衡器 > BQ29330
BQ29330

BQ29330

正在供货

二、三、四节锂离子或锂聚合物电池保护 AFE

产品详情
  • 说明
  • 特性
  • 参数
  • 封装 | 引脚 | 尺寸

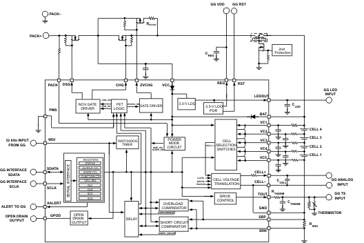
The bq29330 is a 2-series, 3-series, and 4-series cell lithium-ion battery pack full-protection analog front end (AFE) IC that incorporates a 2.5-V, 16-mA and 3.3-V, 25-mA low dropout regulator (LDO). The bq29330 also integrates an I2C-compatible interface to extract battery parameters such as battery voltage, individual cell voltages, and control output status. Other parameters such as current protection thresholds and delays can also be programmed into the bq29330 to increase the flexibility of the battery management system.

The bq29330 provides safety protection for overload, short circuit in charge, and short circuit in discharge conditions and can also provide cell overvoltage, battery overvoltage and battery undervoltage protection with the battery management host. In overload, short circuit in charge and short circuit in discharge conditions, the bq29330 turns off the FET drive autonomously, depending on the internal configuration setting. The communications interface allows the host to observe and control the status of the bq29330, enable cell balancing, enter different power modes, set current protection levels, and set the blanking delay times.

Cell balancing of each cell can be performed via a cell bypass path integrated into the bq29330, which can be enabled via the internal control register accessible via the I2C-compatible interface. The maximum bypass current is set via an external series resistor and internal FET on resistance (typ. 400 Ω).

  • 2-Series, 3-Series, or 4-Series Cell Protection Control
  • Can Directly Interface with the bq803x-Based Gas Gauge Family
  • Watchdog and POR for the Host
  • Provides Individual Cell Voltages and Battery Voltage to
    Battery Management Host
  • Capable of Operation With 5-mΩ Sense Resistor Integrated
    Cell Balancing Drive
  • I2C Compatible User Interface Allows Access to
    Battery Information
  • Programmable Threshold and Delay for Overload Short Circuit
    in Discharge and Short Circuit in Charge
  • NMOS FET Drive for Charge and Discharge FETs
  • Host Control can Initiate Sleep and Ship Power Modes
  • Integrated 2.5-V, 16-mA LDO
  • Integrated 3.3-V, 25-mA LDO
  • Supply Voltage Range from 4.5 V to 28 V
  • Low Supply Current of 100 µA Typical
Number of series cells (min)2
Vin (max) (V)28
FeaturesCell balancing, FET drive, High-side driver, I2C support, LDO output, Multi-cell support, Overcurrent in charging protection, Overcurrent in discharging protection, Separate MCU requirement, Short-current detection
Device typeProtector
Number of series cells (max)4
Operating temperature range (°C)-40 to 110
RatingCatalog
Communication interfaceI2C
Operating current (typ) (µA)100
TSSOP (DBT)3049.92 mm² 7.8 x 6.4
产品购买
  • 商品型号
  • 封装
  • 工作温度
  • 包装
  • 价格
  • 现货库存
  • 操作
10s
温馨提示:
订单商品问题请移至我的售后服务提交售后申请,其他需投诉问题可移至我的投诉提交,我们将在第一时间给您答复
返回顶部