h1_key

TI(德州仪器) LM4041B
德州仪器 (TI) 全系列产品在线购买
  • TI(德州仪器) LM4041B
  • TI(德州仪器) LM4041B
  • TI(德州仪器) LM4041B
  • TI(德州仪器) LM4041B
  • TI(德州仪器) LM4041B
  • TI(德州仪器) LM4041B
立即查看
您当前的位置: 首页 > 电源管理 > 电压基准 > 并联电压基准 > LM4041B
LM4041B

LM4041B

正在供货

精度为 0.2% 的可调节精密微功耗并联电压基准

产品详情
  • 说明
  • 特性
  • 参数
  • 封装 | 引脚 | 尺寸

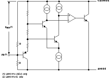
LM4041 系列并联电压基准功能多样、易于使用,适合各种应用。它们无需外部电容器即可运行,与所有容性负载一起工作时保持稳定。此外,该基准具备低动态阻抗、低噪声和低温度系数,可确保在广泛的运行电流和温度范围内实现稳定的输出电压。LM4041 在晶圆筛选期间使用保险丝和齐纳击穿反向击穿电压修整,以提供四种输出电压容差 - 从最高 0.1%(A 级)到最高 1%(D 级)。这样设计人员可以非常灵活地为应用选择具有高性价比的产品。LM4041 可提供固定电压(1.225V 标称值)或可调电压版本(需要外部电阻分压器将输出设为 1.225V 至 10V 间的任意值)。

LM4041 采用节省空间的 SC-70 和 SOT-23-3 封装,最低电流为 45µA(典型值),因此是便携式应用的理想之选。如需穿孔封装,我们还提供 TO-92 封装。LM4041xI 的额定工作环境温度范围是 –40°C 至 85°C。LM4041xQ 的额定工作环境温度范围是 –40°C 至 125°C。

  • 具有 1.225V 固定输出电压和可调输出电压(1.225V 至 10V)
  • 严格输出容差和低温度系数
    • 0.1%(最大值),100ppm/°C - A 级
    • 0.2%(最大值),100ppm/°C - B 级
    • 0.5%(最大值),100ppm/°C - C 级
    • 1.0%(最大值),150ppm/°C - D 级
  • 低输出噪声。。。20µVRMS(典型值)
  • 宽工作电流范围。。。45µA(典型值)至 12mA
  • 与所有容性负载一起工作时保持稳定;无需输出电容器
  • 可提供
    • 工业温度:–40°C 至 85°C
    • 工作温度范围:–40°C 至 125°C
VO (V)1.225
Initial accuracy (max) (%)0.2
VO adj (min) (V)1.225
VO adj (max) (V)10
Iz for regulation (min) (µA)45
Reference voltage (V)adjustable
RatingCatalog
Temp coeff (max) (ppm/°C)100
Operating temperature range (°C)-40 to 85
Iout/Iz (max) (mA)25
SOT-23 (DBZ)36.9204 mm² 2.92 x 2.37
SOT-SC70 (DCK)54.2 mm² 2 x 2.1
产品购买
  • 商品型号
  • 封装
  • 工作温度
  • 包装
  • 价格
  • 现货库存
  • 操作
10s
温馨提示:
订单商品问题请移至我的售后服务提交售后申请,其他需投诉问题可移至我的投诉提交,我们将在第一时间给您答复
返回顶部