h1_key

TI(德州仪器) TPS65160A
德州仪器 (TI) 全系列产品在线购买
  • TI(德州仪器) TPS65160A
  • TI(德州仪器) TPS65160A
  • TI(德州仪器) TPS65160A
  • TI(德州仪器) TPS65160A
  • TI(德州仪器) TPS65160A
  • TI(德州仪器) TPS65160A
立即查看
您当前的位置: 首页 > 电源管理 > LCD 和 OLED 显示电源和驱动器 > TPS65160A
TPS65160A

TPS65160A

正在供货

4 通道 LCD 偏置(2.8A 最小升压电流限制高达 17.5V,2A 最小降压电流限制)

产品详情
  • 说明
  • 特性
  • 参数
  • 封装 | 引脚 | 尺寸

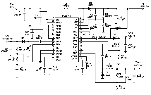
The TPS65160 offers a compact power supply solution to provide all four voltages required by thin-film transistor (TFT) LCD panel. With its high current capabilities, the device is ideal for large screen monitor panels and LCD TV applications.

The device can be powered directly from a 12-V input voltage generating the bias voltages VGH and VGL, as well as the source voltage VS and logic voltage for the LCD panels. The device consists of a boost converter to provide the source voltage VS and a step-down converter to provide the logic voltage for the system. A positive and a negative charge-pump driver provide adjustable regulated output voltages VGL and VGH to bias the TFT. Both boost and step-down converters, as well as the charge-pump driver, operate with a fixed switching frequency of 500 kHz or 750 kHz, selectable by the FREQ pin. The TPS65160 includes adjustable power-on sequencing. The device includes safety features like overvoltage protection of the boost converter and short-circuit protection of the buck converter, as well as thermal shutdown. Additionally, the device incorporates a gate drive signal to control an isolation MOSFET switch in series with VS or VGH. See the application circuits at the end of this data sheet.

  • 8-V to 14-V Input Voltage Range
  • VS Output Voltage Range up to 20 V
  • 1% Accurate Boost Converter With 2.8-A Switch Current
  • 1.5% accurate 1.8-A Step-Down Converter
  • 500-kHz/750-kHz Fixed Switching Frequency
  • Negative Charge Pump Driver for VGL
  • Positive Charge Pump Driver for VGH
  • Adjustable Sequencing for VGL, VGH
  • Gate Drive Signal to Drive External MOSFET
  • Internal and Adjustable Soft Start
  • Short-Circuit Protection
  • 23-V (TPS65160) Overvoltage Protection
  • 19.5-V (TPS65160A) Overvoltage Protection
  • Thermal Shutdown
  • Available in HTSSOP-28 Package
Display typeLCD unipolar
IC integrationLCD bias
Vin (min) (V)9.2
Vin (max) (V)14
Applications13 to 21 inches, 21 inches and above
Source driver voltage (max) (V)17.5
Level shifter/scan driver (Ch)0
V_NEG (max) (V)-2
FeaturesAdjustable sequencing
TopologyBoost, Buck
RatingCatalog
Operating temperature range (°C)-40 to 85
HTSSOP (PWP)2862.08 mm² 9.7 x 6.4
产品购买
  • 商品型号
  • 封装
  • 工作温度
  • 包装
  • 价格
  • 现货库存
  • 操作
10s
温馨提示:
订单商品问题请移至我的售后服务提交售后申请,其他需投诉问题可移至我的投诉提交,我们将在第一时间给您答复
返回顶部