h1_key

TI(德州仪器) BQ24032A
德州仪器 (TI) 全系列产品在线购买
  • TI(德州仪器) BQ24032A
  • TI(德州仪器) BQ24032A
  • TI(德州仪器) BQ24032A
  • TI(德州仪器) BQ24032A
  • TI(德州仪器) BQ24032A
  • TI(德州仪器) BQ24032A
立即查看
您当前的位置: 首页 > 电源管理 > 电池管理 IC > 电池充电器 IC > BQ24032A
BQ24032A

BQ24032A

正在供货

具有动态电源路径、4.4V 稳压输出和 4.2V Vbat 的独立型单节 2A 电池充电器

产品详情
  • 说明
  • 特性
  • 参数
  • 封装 | 引脚 | 尺寸

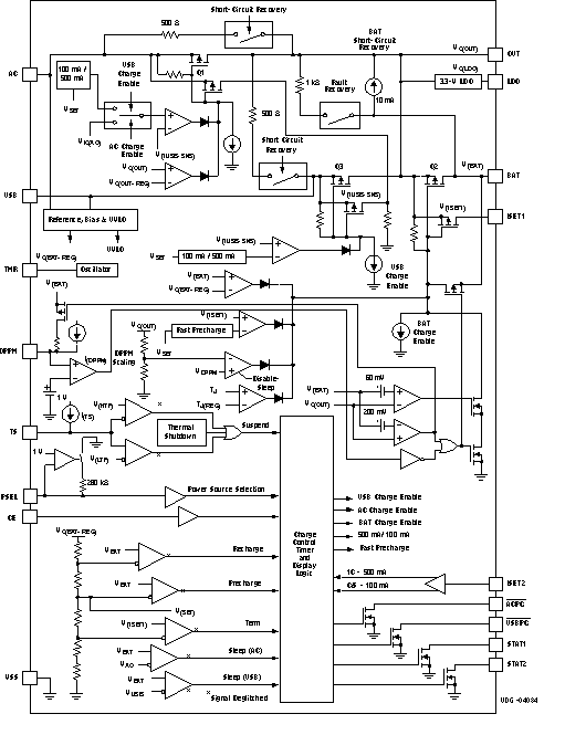
The bqTINY™ III-series of devices are highly integrated Li-ion linear chargers and system power-path management devices targeted at space-limited portable applications. The bqTINY III-series offer integrated USB-port and DC supply (AC adapter), power-path management with autonomous power-source selection, power FETs and current sensors, high accuracy current and voltage regulation, charge status, and charge termination, in a single monolithic device.

The bqTINY III-series powers the system while independently charging the battery. This feature reduces the charge and discharge cycles on the battery, allows for proper charge termination and allows the system to run with an absent or defective battery pack. This feature also allows for the system to instantaneously turn on from an external power source in the case of a deeply discharged battery pack. The IC design is focused on supplying continuous power to the system when available from the AC, USB, or battery sources.

The power select pin, PSEL, defines which input source is to be used first (primary source – AC or USB). If the primary source is not available, then the IC automatically switches over to the other secondary source if available or the battery as the last option. If the PSEL is set low, the USB input is selected first and if not available, the AC line is selected (if available) but programmed to a USB input limiting rate (100 mA/500 mA max). This feature allows the use of one input connector, where the host programs the PSEL pin according to what source is connected (AC adaptor or USB port).

The bq24038 replaces USBPG with pin VBSEL, to enable user selection of the charge voltage. In addition, pin ACPG was modified to PG. PG is active low when either ac power or USB power is detected.

The ISET1 pin programs the battery&3146;s fast charge constant current level with a resistor. During normal AC operation, the input supply provides power to both the OUT (System) and BAT pins. For peak or excessive loads (typically when operating from the USB power, PSEL = Low) that would cause the input source to enter current limit (or Q3 - USB FET limiting current) and its source and system voltage (OUT pin) to drop, the dynamic power-path management (DPPM) feature reduces the charging current attempting to prevent any further drop in system voltage. This feature allows the selection of a lower current rated adaptor based on the average load (ISYS-AVG + IBAT-PGM ) rather than a high peak transient load.

  • Small 3.5-mm × 4.5-mm QFN Package
  • Designed for Single-Cell Li-Ion- or Li-Polymer-
    Based Portable Applications
  • Integrated Dynamic Power-Path Management (DPPM)
    Feature Allowing the AC Adapter or the USB Port
    to Simultaneously Power the System and Charge
    the Battery
  • Power Supplement Mode Allows Battery to Supplement
    the USB or AC Input Current
  • Autonomous Power Source Selection (AC Adapter
    or USB)
  • Integrated USB Charge Control With Selectable
    100-mA and 500-mA Maximum Input Current Regulation
    Limits
  • Dynamic Total Current Management for USB
  • Supports Up to 2-A Total Current
  • 3.3-V Integrated LDO Output
  • Thermal Regulation for Charge Control
  • Charge Status Outputs for LED or System Interface
    Indicates Charge and Fault Conditions
  • Reverse Current, Short-Circuit, and Thermal
    Protection
  • Power Good (AC Adapter and USB Port Present)
    Status Outputs
  • Charge Voltage Options: 4.1 V, 4.2 V, or 4.36 V
  • APPLICATIONS
    • Smart Phones and PDAs
    • MP3 Players
    • Digital Cameras Handheld Devices
    • Internet Appliances

All other trademarks are the property of their respective owners

Number of series cells1
Charge current (max) (A)1.5
Vin (max) (V)16
Cell chemistryLi-Ion/Li-Polymer
Battery charge voltage (min) (V)4.2
Battery charge voltage (max) (V)4.2
Absolute max Vin (max) (V)18
Control topologyLinear
Control interfaceStandalone (RC-Settable)
FeaturesBAT temp thermistor monitoring (hot/cold profile), Integrated LDO, Power Path
Vin (min) (V)4.35
RatingCatalog
Operating temperature range (°C)-40 to 85
VQFN (RHL)2015.75 mm² 4.5 x 3.5
产品购买
  • 商品型号
  • 封装
  • 工作温度
  • 包装
  • 价格
  • 现货库存
  • 操作
10s
温馨提示:
订单商品问题请移至我的售后服务提交售后申请,其他需投诉问题可移至我的投诉提交,我们将在第一时间给您答复
返回顶部