h1_key

TI(德州仪器) TLVH431
德州仪器 (TI) 全系列产品在线购买
  • TI(德州仪器) TLVH431
  • TI(德州仪器) TLVH431
  • TI(德州仪器) TLVH431
  • TI(德州仪器) TLVH431
  • TI(德州仪器) TLVH431
  • TI(德州仪器) TLVH431
立即查看
您当前的位置: 首页 > 电源管理 > 电压基准 > 并联电压基准 > TLVH431
TLVH431

TLVH431

正在供货

精度为 1.5% 的低电压宽工作电流范围可调节精密并联稳压器

产品详情
  • 说明
  • 特性
  • 参数
  • 封装 | 引脚 | 尺寸

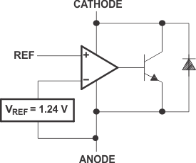
TLVH431 和 TLVH432 器件是低电压 3 端子可调节电压基准,在适用的工业和商业级温度范围内具有额定热稳定性。可以通过两个外部电阻器将输出电压设置为介于 VREF (1.24V) 和 18V 之间的任何值(请参阅)。这些器件具有比广泛使用的 TL431 和 TL1431 并联稳压器基准电压更低的工作电压 (1.24V)。

与光耦合器配合使用时,TLVH431 和 TLVH432 器件是适用于 3V 至 3.3V 开关模式电源的隔离式反馈电路中的理想电压基准。它们的输出阻抗典型值均为 0.25Ω。有源输出电路提供非常快速的导通特性,因此 TLVH431 和 TLVH432 器件非常适合替代许多应用中的低压齐纳二极管,包括板载稳压和可调节电源。

TLVH432 器件与 TLVH431 器件相同,但 3 引脚 SOT-23 和 SOT-89 封装的引脚排列不同。

  • 低电压运行:低至 1.24V
  • 25°C 温度下的基准电压容差
    • B 级 0.5%
    • A 级 1%
    • 标准级 1.5%
  • 可调节输出电压,VO = VREF 至 18V
  • 宽工作阴极电流范围: 100µA 至 70 mA
  • 输出阻抗典型值 0.25Ω
  • –40°C 至 +125°C 规格
  • TLVH432 提供适用于 SOT-23-3 和 SOT-89 封装的替代引脚排列
  • 超小型 SC-70 封装可提供比 SOT-23-3 小 40% 的尺寸
VO (V)1.24
Initial accuracy (max) (%)1.5
VO adj (min) (V)1.24
VO adj (max) (V)18
Iz for regulation (min) (µA)60
Reference voltage (V)adjustable
RatingCatalog
Temp coeff (max) (ppm/°C)138
Operating temperature range (°C)-40 to 125
Iout/Iz (max) (mA)80
SOT-23 (DBV)58.12 mm² 2.9 x 2.8
SOT-23 (DBZ)36.9204 mm² 2.92 x 2.37
SOT-89 (PK)318.4275 mm² 4.5 x 4.095
SOT-SC70 (DCK)64.2 mm² 2 x 2.1
TO-92 (LP)319.136 mm² 5.2 x 3.68
产品购买
  • 商品型号
  • 封装
  • 工作温度
  • 包装
  • 价格
  • 现货库存
  • 操作
10s
温馨提示:
订单商品问题请移至我的售后服务提交售后申请,其他需投诉问题可移至我的投诉提交,我们将在第一时间给您答复
返回顶部