h1_key

TI(德州仪器) TPS2384
德州仪器 (TI) 全系列产品在线购买
  • TI(德州仪器) TPS2384
  • TI(德州仪器) TPS2384
  • TI(德州仪器) TPS2384
  • TI(德州仪器) TPS2384
  • TI(德州仪器) TPS2384
  • TI(德州仪器) TPS2384
立即查看
您当前的位置: 首页 > 电源管理 > 以太网供电 (PoE) IC > 电源设备 > TPS2384
TPS2384

TPS2384

正在供货

具有集成 FET 和电流检测功能的 1 类 4 通道 PoE PSE

产品详情
  • 说明
  • 特性
  • 参数
  • 封装 | 引脚 | 尺寸

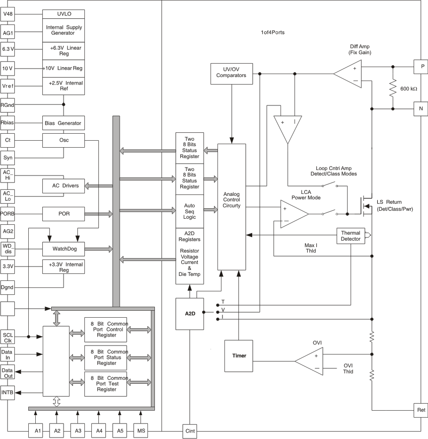
TPS2384 是一款四端口电源设备电源管理器 (PSEPM),符合以太网供电 (PoE) IEEE 802.3af 标准。TPS2384 采用 48V 单电源供电并在较宽温度范围(–40°C 至 125°C)内工作。集成输出不需要每个端口两个外部元件(FET 和检测电阻),并可承受 100V 瞬态电压。四个单独的 15 位模数转换器用于测量端口电阻、电压、电流和芯片温度,从而使 PSE 解决方案简单而可靠。TPS2384 配备全面的软件解决方案,可满足苛刻的应用要求,而且可作为所有 PoE 系统设计的核心。

TPS2384 采用 64 引脚 PowerPAD™ (PAP) 封装(焊盘朝下)或 64 引脚 PowerPAD™ (PJD) 封装(焊盘朝上)。

  • 具有集成开关和检测电阻的四端口电源管理
  • 符合 IEEE 802.3af 标准
  • 由 48V 单电源供电运行
  • 单个端口 15 位 A/D
  • 自动、半自动和电源管理运行模式
  • 受控电流斜坡可降低 EMI 并为 PD 的大容量电容充电
  • I2C 时钟和振荡器看门狗计时器
  • 过热保护
  • 直流和直流调制断电
  • 支持传统检测,适用于不合规的 PD
  • 支持交流电断开
  • 高速 400kHz I2C 接口
  • 可用的全面电源管理软件
  • 工作温度范围:–40°C 至 125°C
Vin (min) (V)44
Vin (max) (V)57
ILIM425mA TYP
PoE standards supported802.3at Type 1 (802.3af)
FETInternal
MPS methodAC/DC Disconnect
Pair control2-Pair Alt A or B
Operating temperature range (°C)-40 to 125
FeaturesIntegrated FET, Over Current Reporting, Over Temp Reporting
Number of PSE ports4
RatingCatalog
HTQFP (PAP)64144 mm² 12 x 12
HTQFP (PJD)64144 mm² 12 x 12
产品购买
  • 商品型号
  • 封装
  • 工作温度
  • 包装
  • 价格
  • 现货库存
  • 操作
10s
温馨提示:
订单商品问题请移至我的售后服务提交售后申请,其他需投诉问题可移至我的投诉提交,我们将在第一时间给您答复
返回顶部