h1_key

TI(德州仪器) LP5996
德州仪器 (TI) 全系列产品在线购买
  • TI(德州仪器) LP5996
  • TI(德州仪器) LP5996
  • TI(德州仪器) LP5996
  • TI(德州仪器) LP5996
  • TI(德州仪器) LP5996
  • TI(德州仪器) LP5996
立即查看
您当前的位置: 首页 > 电源管理 > 线性和低压降 (LDO) 稳压器 > LP5996
LP5996

LP5996

正在供货

具有使能功能的 150mA、低 IQ、双通道可调节低压降稳压器

产品详情
  • 说明
  • 特性
  • 参数
  • 封装 | 引脚 | 尺寸

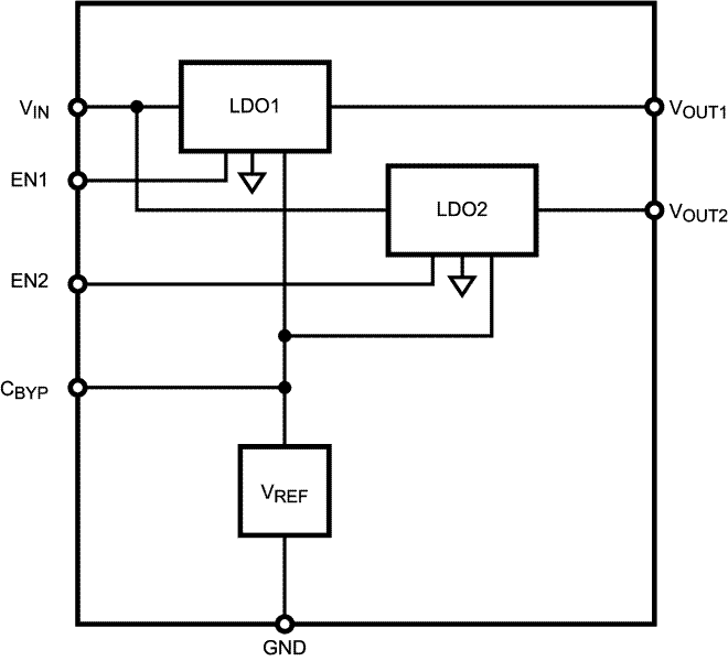
The LP5996 is a dual low dropout regulator. The first regulator can source 150mA, while the second is capable of sourcing 300mA.

The LP5996 provides 1.5% accuracy requiring an ultra low quiescent current of 35µA. Separate enable pins allow each output of the LP5996 to be shut down, drawing virtually zero current.

The LP5996 is designed to be stable with small footprint ceramic capacitors down to 1µF.

The LP5996 is available in fixed output voltages and comes in a 10 pin, 3mm x 3mm package.

  • 2 LDO Outputs with Independent Enable
  • 1.5% Accuracy at Room Temperature, 3% over Temperature
  • Thermal Shutdown Protection
  • Stable with Ceramic Capacitors

Key Specifications

  • Input Voltage Range, 2.0V to 6.0V
  • Low Dropout Voltage at 300mA, 210mV
  • Ultra-Low IQ (Enabled), 35µA
  • Virtually Zero IQ (Disabled), <10nA

Package

  • All available in Lead Free option.
  • 10 pin SON 3mm x 3mm
    For other package options contact your Texas Instruments sales office.

All trademarks are the property of their respective owners.

Output optionsDual output, Fixed Output
Iout (max) (A)0.15
Vin (max) (V)6
Vin (min) (V)2
Vout (max) (V)3.3
Vout (min) (V)1
Fixed output options (V)1, 1.8, 2.5, 2.8, 3, 3.3
Noise (µVrms)36
Iq (typ) (mA)0.035
Thermal resistance θJA (°C/W)55
RatingCatalog
Load capacitance (min) (µF)1
Regulated outputs (#)2
FeaturesEnable
Accuracy (%)2.75
PSRR at 100 KHz (dB)45
Dropout voltage (Vdo) (typ) (mV)110
Operating temperature range (°C)-40 to 85
WSON (DSC)109 mm² 3 x 3
产品购买
  • 商品型号
  • 封装
  • 工作温度
  • 包装
  • 价格
  • 现货库存
  • 操作
10s
温馨提示:
订单商品问题请移至我的售后服务提交售后申请,其他需投诉问题可移至我的投诉提交,我们将在第一时间给您答复
返回顶部