h1_key

TI(德州仪器) MC34063A
德州仪器 (TI) 全系列产品在线购买
  • TI(德州仪器) MC34063A
  • TI(德州仪器) MC34063A
  • TI(德州仪器) MC34063A
  • TI(德州仪器) MC34063A
  • TI(德州仪器) MC34063A
  • TI(德州仪器) MC34063A
立即查看
您当前的位置: 首页 > 电源管理 > 直流/直流开关稳压器 > 升压稳压器 > MC34063A
MC34063A

MC34063A

正在供货

工作温度范围为 0°C 至 70°C 的 1.5A 升压、降压、反相开关稳压器

产品详情
  • 说明
  • 特性
  • 参数
  • 封装 | 引脚 | 尺寸

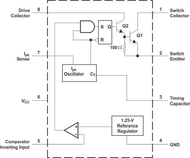
The MC33063A and MC34063A devices are easy-to-use ICs containing all the primary circuitry needed for building simple DC-DC converters. These devices primarily consist of an internal temperature-compensated reference, a comparator, an oscillator, a PWM controller with active current limiting, a driver, and a high-current output switch. Thus, the devices require minimal external components to build converters in the boost, buck, and inverting topologies.

The MC33063A device is characterized for operation from –40°C to 85°C, while the MC34063A device is characterized for operation from 0°C to 70°C.

  • Wide Input Voltage Range: 3 V to 40 V
  • High Output Switch Current: Up to 1.5 A
  • Adjustable Output Voltage
  • Oscillator Frequency Up to 100 kHz
  • Precision Internal Reference: 2%
  • Short-Circuit Current Limiting
  • Low Standby Current
TopologyBoost, Buck, Flyback, Forward, SEPIC
Vin (min) (V)3
Vin (max) (V)40
Vout (min) (V)1.25
Vout (max) (V)40
Switch current limit (typ) (A)1.5
TypeConverter
Regulated outputs (#)1
Switching frequency (min) (kHz)33
Switching frequency (max) (kHz)100
Iq (typ) (mA)4
FeaturesNonsynchronous rectification
Duty cycle (max) (%)80
Operating temperature range (°C)0 to 70
RatingCatalog
PDIP (P)892.5083 mm² 9.81 x 9.43
SOIC (D)829.4 mm² 4.9 x 6
WSON (DRJ)816 mm² 4 x 4
产品购买
  • 商品型号
  • 封装
  • 工作温度
  • 包装
  • 价格
  • 现货库存
  • 操作
10s
温馨提示:
订单商品问题请移至我的售后服务提交售后申请,其他需投诉问题可移至我的投诉提交,我们将在第一时间给您答复
返回顶部