h1_key

TI(德州仪器) TPS65013
德州仪器 (TI) 全系列产品在线购买
  • TI(德州仪器) TPS65013
  • TI(德州仪器) TPS65013
  • TI(德州仪器) TPS65013
  • TI(德州仪器) TPS65013
  • TI(德州仪器) TPS65013
  • TI(德州仪器) TPS65013
立即查看
您当前的位置: 首页 > 电源管理 > 多通道 IC (PMIC) > TPS65013
TPS65013

TPS65013

正在供货

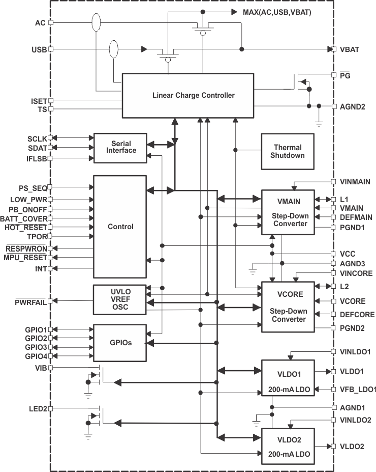
采用 QFN-48 封装的多通道 1 节锂离子电池 PMIC:USB/AC 充电器、2 个 DC/DC、2 个 LDO 以及 I2C 接口

产品详情
  • 说明
  • 特性
  • 参数
  • 封装 | 引脚 | 尺寸

The TPS65013 device is an integrated power and battery management IC for applications powered by one Li-ion or Li-polymer cell and which require multiple power rails. The TPS65013 device provides two highly efficient, 1.25-MHz step-down converters targeted at providing the core voltage and peripheral, I/O rails in a processor-based system. Both step-down converters enter a low-power mode at light load for maximum efficiency across the widest possible range of load currents.

The TPS65013 device also integrates two 200-mA LDO voltage regulators, which are enabled via the serial interface. Each LDO operates with an input voltage range between 1.8 V and 6.5 V, allowing them to be supplied from one of the step-down converters or directly from the battery.

The TPS65013 device also has a highly integrated and flexible Li-ion linear charger and system power management. It offers integrated USB-port and AC-adapter supply management with autonomous power-source selection, power FET and current sensor, high accuracy current and voltage regulation, charge status, and charge termination.

  • Linear Charger Management for Single Li-Ion or
    Li-Polymer Cells
  • Dual Input Ports for Charging From USB or From
    Wall Plug, Handles 100-mA and 500-mA USB
    Requirements
  • Charge Current Programmable via External
    Resistor
  • 1-A, 95% Efficient Step-Down Converter for I/O
    and Peripheral Components (VMAIN)
  • 400-mA, 90% Efficient Step-Down Converter for
    Processor Core (VCORE)
  • 2x 200-mA LDOs for I/O and Peripheral
    Components, LDO Enable via Bus
  • Serial Interface Compatible With I2C, Supports
    100-kHz, 400-kHz Operation at 1.8 V
  • LOW_PWR Pin to Lower or Disable Processor
    Core Supply Voltage in Deep Sleep Mode
  • 70-µA Quiescent Current
  • 1% Reference Voltage
  • Thermal Shutdown Protection
Regulated outputs (#)4
ConfigurabilityHardware configurable, Software configurable
Vin (min) (V)1.8
Vin (max) (V)6.5
Iout (max) (A)1
FeaturesPower good, Power sequencing
Step-up DC/DC converter0
Step-down DC/DC converter0
Step-down DC/DC controller0
Step-up DC/DC controller0
LDO2
Iq (typ) (mA)0.07
RatingCatalog
Switching frequency (max) (kHz)1500
Operating temperature range (°C)-40 to 85
Shutdown current (ISD) (typ) (µA)0.1
Switching frequency (typ) (kHz)1250
VQFN (RGZ)4849 mm² 7 x 7
产品购买
  • 商品型号
  • 封装
  • 工作温度
  • 包装
  • 价格
  • 现货库存
  • 操作
10s
温馨提示:
订单商品问题请移至我的售后服务提交售后申请,其他需投诉问题可移至我的投诉提交,我们将在第一时间给您答复
返回顶部