h1_key

TI(德州仪器) TPS2065
德州仪器 (TI) 全系列产品在线购买
  • TI(德州仪器) TPS2065
  • TI(德州仪器) TPS2065
  • TI(德州仪器) TPS2065
  • TI(德州仪器) TPS2065
  • TI(德州仪器) TPS2065
  • TI(德州仪器) TPS2065
立即查看
您当前的位置: 首页 > 电源管理 > USB 电源开关和充电端口控制器 > TPS2065
TPS2065

TPS2065

正在供货

高电平有效的 1A 负载、2.7-5.5V、70mΩ USB 电源开关

产品详情
  • 说明
  • 特性
  • 参数
  • 封装 | 引脚 | 尺寸

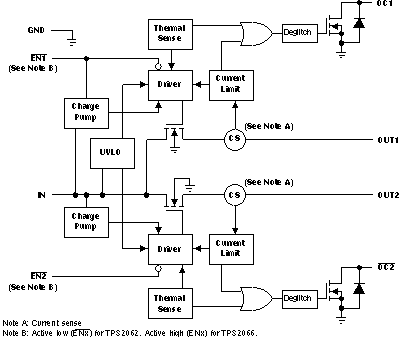
TPS206x 配电开关适用于可能具有高容性负载和发生短路的应用。这个器件组装有一个用于配电系统的 70mΩ N-通道 MOSFET 电源开关。此类系统要求在单一封装内具有多个电源开关。每个开关由一个逻辑使能输入控制。栅极驱动由一个内部电荷泵提供,此电荷泵设计用于控制电源开关上升时间和下降时间以大大减少切换期间的电流涌入。电荷泵无需外部组件并可在低至 2.7V 的电源电压下工作。

  • 70mΩ 高侧 MOSFET
  • 1A 持续电流
  • 散热和短路保护
  • 精确电流限制 (最小值 1.1A,最大值 1.9A)
  • 工作范围:2.7V 至 5.5V
  • 上升时间典型值 0.6ms
  • 欠压锁定
  • 抗尖峰脉冲故障报告 ( OC)
  • 上电期间无 OC 尖峰脉冲
  • 最大待机电源电流 1µA
  • 双向开关
  • 环境温度范围:-40°C 至 85°C
  • 内置软启动
  • UL 认证 - 文件号 E169910
Product typeFixed current limit, Power switch
Vin (min) (V)2.7
Vin (max) (V)5.5
Continuous current (max) (A)1
Current limit (A)1.5
Operating temperature range (°C)-40 to 125
EnableActive High
Number of switches1
Current limit accuracy at 1 A0.27
RatingCatalog
HVSSOP (DGN)814.7 mm² 3 x 4.9
SOIC (D)829.4 mm² 4.9 x 6
SOT-23 (DBV)58.12 mm² 2.9 x 2.8
产品购买
  • 商品型号
  • 封装
  • 工作温度
  • 包装
  • 价格
  • 现货库存
  • 操作
10s
温馨提示:
订单商品问题请移至我的售后服务提交售后申请,其他需投诉问题可移至我的投诉提交,我们将在第一时间给您答复
返回顶部