h1_key

TI(德州仪器) BQ24103
德州仪器 (TI) 全系列产品在线购买
  • TI(德州仪器) BQ24103
  • TI(德州仪器) BQ24103
  • TI(德州仪器) BQ24103
  • TI(德州仪器) BQ24103
  • TI(德州仪器) BQ24103
  • TI(德州仪器) BQ24103
立即查看
您当前的位置: 首页 > 电源管理 > 电池管理 IC > 电池充电器 IC > BQ24103
BQ24103

BQ24103

正在供货

采用 WQFN-20 封装的独立 1 至 2 节 2A 同步降压电池充电器

产品详情
  • 说明
  • 特性
  • 参数
  • 封装 | 引脚 | 尺寸

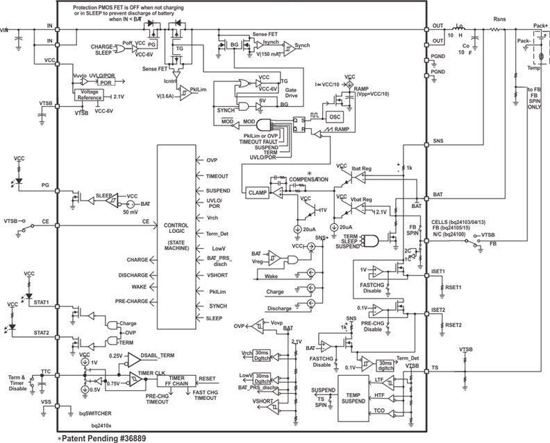
The bqSWITCHER™ series are highly integrated Li-ion and Li-polymer switch-mode charge management devices targeted at a wide range of portable applications. The bqSWITCHER™ series offers integrated synchronous PWM controller and power FETs, high-accuracy current and voltage regulation, charge preconditioning, charge status, and charge termination, in a small, thermally enhanced VQFN package. The system-controlled version provides additional inputs for full charge management under system control.

The bqSWITCHER™ charges the battery in three phases: conditioning, constant current, and constant voltage. Charge is terminated based on user- selectable minimum current level. A programmable charge timer provides a safety backup for charge termination. The bqSWITCHER™ automatically restarts the charge cycle if the battery voltage falls below an internal threshold. The bqSWITCHER™ automatically enters sleep mode when VCC supply is removed.

  • Ideal For Highly Efficient Charger Designs For
    Single-, Two-, or Three-Cell Li-Ion and Li-Polymer
    Battery Packs
  • bq24105 Also for LiFePO4 Battery (see Using
    bq24105 to Charge the LiFePO4 Battery
    )
  • Integrated Synchronous Fixed-Frequency PWM
    Controller Operating at 1.1 MHz With 0% to 100%
    Duty Cycle
  • Integrated Power FETs for Up To 2-A Charge
    Rate
  • High-Accuracy Voltage and Current Regulation
  • Available in Both Stand-Alone (Built-In Charge
    Management and Control) and System-Controlled
    (Under System Command) Versions
  • Status Outputs for LED or Host Processor
    Interface Indicates Charge-In-Progress, Charge
    Completion, Fault, and AC-Adapter Present
    Conditions
  • 20-V Maximum Voltage Rating on IN and OUT
    Pins
  • High-Side Battery Current Sensing
  • Battery Temperature Monitoring
  • Automatic Sleep Mode for Low Power
    Consumption
  • System-Controlled Version Can Be Used in NiMH
    and NiCd Applications
  • Reverse Leakage Protection Prevents Battery
    Drainage
  • Thermal Shutdown and Protection
  • Built-In Battery Detection
  • Available in 20-Pin, 3.50 mm × 4.50 mm VQFN
    Package
  • APPLICATIONS
    • Handheld Products
    • Portable Media Players
    • Industrial and Medical Equipment
    • Portable Equipment

All other trademarks are the property of their respective owners

Number of series cells1, 2
Charge current (max) (A)2
Vin (max) (V)16
Cell chemistryLi-Ion/Li-Polymer
Battery charge voltage (min) (V)4.2
Battery charge voltage (max) (V)8.4
Absolute max Vin (max) (V)20
Control topologySwitch-Mode Buck
Control interfaceStandalone (RC-Settable)
FeaturesBAT temp thermistor monitoring (hot/cold profile), Input OVP
Vin (min) (V)4.35
RatingCatalog
Operating temperature range (°C)-40 to 85
VQFN (RHL)2015.75 mm² 4.5 x 3.5
产品购买
  • 商品型号
  • 封装
  • 工作温度
  • 包装
  • 价格
  • 现货库存
  • 操作
10s
温馨提示:
订单商品问题请移至我的售后服务提交售后申请,其他需投诉问题可移至我的投诉提交,我们将在第一时间给您答复
返回顶部