h1_key

TI(德州仪器) LP2997
德州仪器 (TI) 全系列产品在线购买
  • TI(德州仪器) LP2997
  • TI(德州仪器) LP2997
  • TI(德州仪器) LP2997
  • TI(德州仪器) LP2997
  • TI(德州仪器) LP2997
  • TI(德州仪器) LP2997
立即查看
您当前的位置: 首页 > 电源管理 > 多通道 IC (PMIC) > LP2997
LP2997

LP2997

正在供货

DDR-II 终止稳压器

产品详情
  • 说明
  • 特性
  • 参数
  • 封装 | 引脚 | 尺寸

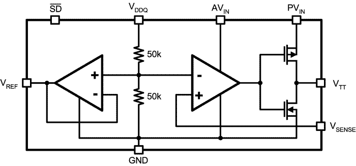
The LP2997 linear regulator is designed to meet the JEDEC SSTL-18 specifications for termination of DDR-II memory. The device contains a high-speed operational amplifier to provide excellent response to load transients. The output stage prevents shoot through while delivering 500mA continuous current and transient peaks up to 900mA in the application as required for DDR-II SDRAM termination. The LP2997 also incorporates a VSENSE pin to provide superior load regulation and a VREF output as a reference for the chipset and DIMMs.

An additional feature found on the LP2997 is an active low shutdown (SD) pin that provides Suspend To RAM (STR) functionality. When SD is pulled low the VTT output will tri-state providing a high impedance output, but, VREF will remain active. A power savings advantage can be obtained in this mode through lower quiescent current.

  • Source and Sink Current
  • Low Output Voltage Offset
  • No External Resistors Required
  • Linear Topology
  • Suspend to Ram (STR) Functionality
  • Low External Component Count
  • Thermal Shutdown
  • Available in SOIC-8, SO PowerPAD-8 Packages

All trademarks are the property of their respective owners.

Vin (min) (V)1.8
Vin (max) (V)5.5
FeaturesShutdown Pin for S3
Iq (typ) (mA)0.32
RatingCatalog
Operating temperature range (°C)0 to 125
HSOIC (DDA)829.4 mm² 4.9 x 6
SOIC (D)829.4 mm² 4.9 x 6
产品购买
  • 商品型号
  • 封装
  • 工作温度
  • 包装
  • 价格
  • 现货库存
  • 操作
10s
温馨提示:
订单商品问题请移至我的售后服务提交售后申请,其他需投诉问题可移至我的投诉提交,我们将在第一时间给您答复
返回顶部