h1_key

TI(德州仪器) TPS2051B
德州仪器 (TI) 全系列产品在线购买
  • TI(德州仪器) TPS2051B
  • TI(德州仪器) TPS2051B
  • TI(德州仪器) TPS2051B
  • TI(德州仪器) TPS2051B
  • TI(德州仪器) TPS2051B
  • TI(德州仪器) TPS2051B
立即查看
您当前的位置: 首页 > 电源管理 > USB 电源开关和充电端口控制器 > TPS2051B
TPS2051B

TPS2051B

正在供货

高电平有效的 0.5A 负载、2.7-5.5V、70mΩ USB 电源开关

产品详情
  • 说明
  • 特性
  • 参数
  • 封装 | 引脚 | 尺寸

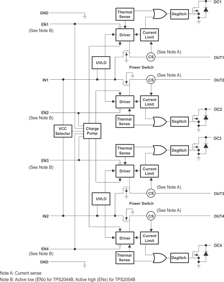
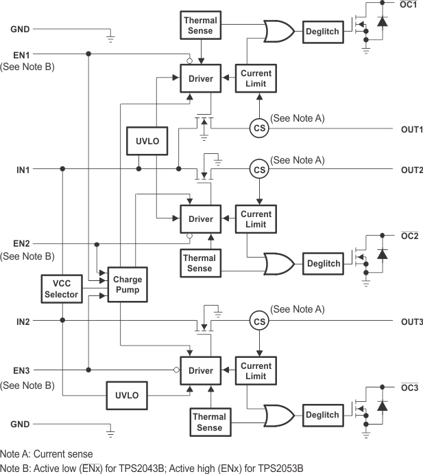
TPS20xxB 配电开关适用于可能具有高容性负载和发生短路的应用。这类器件包含 70mΩ N 沟道 MOSFET 电源开关,适用于需要在单个封装内包含多个电源开关的配电系统。每个开关由一个逻辑使能输入控制。栅极驱动由一个内部电荷泵提供,此电荷泵设计用于控制电源开关上升时间和下降时间以大大减少切换期间的电流涌入。电荷泵无需外部组件并可在低至 2.7V 的电源电压下工作。

当输出负载超过限流阈值或者短路出现时,该器件通过切换至恒定电流模式,并通过将过流 ( OCx) 下拉至逻辑输出低电平来将输出电流限制在安全水平上。如果持续重过载和短路增加了开关内的功率耗散,则将引起结温上升,此时,过热保护电路将关闭此开关以避免器件损坏。一旦器件充分冷却,此器件将自动从热关断中恢复。内部电路确保此开关在有效输入电压出现前保持关闭状态。此配电开关旨在将电流限制设置为 1 A(典型值)。

  • 70mΩ 高侧金属氧化物半导体场效应晶体 (MOSFET)
  • 500mA 持续电流
  • 过热和短路保护
  • 精确电流限制 (最小值 0.75A,最大值 1.25A)
  • 工作电压范围:2.7V 至 5.5V
  • 上升时间典型值 0.6ms
  • 欠压闭锁
  • 抗尖峰脉冲故障报告 ( OC)
  • 上电期间无 OC毛刺脉冲
  • 最大待机电源电流: 1µA(单、双通道)或 2µA(三、四通道)
  • 环境温度范围:–40°C 至 85°C
  • 通过 UL 认证,文件编号 E169910
  • 针对成组配置的 TPS2042B 和 TPS2052B 的其他 UL 认证
Product typeFixed current limit, Power switch
Vin (min) (V)2.7
Vin (max) (V)5.5
Continuous current (max) (A)0.5
Current limit (A)1
Operating temperature range (°C)-40 to 125
EnableActive High
Number of switches1
Current limit accuracy at 1 A0.25
RatingCatalog
HVSSOP (DGN)814.7 mm² 3 x 4.9
SOIC (D)829.4 mm² 4.9 x 6
SOT-23 (DBV)58.12 mm² 2.9 x 2.8
产品购买
  • 商品型号
  • 封装
  • 工作温度
  • 包装
  • 价格
  • 现货库存
  • 操作
10s
温馨提示:
订单商品问题请移至我的售后服务提交售后申请,其他需投诉问题可移至我的投诉提交,我们将在第一时间给您答复
返回顶部