h1_key

TI(德州仪器) LM2742
德州仪器 (TI) 全系列产品在线购买
  • TI(德州仪器) LM2742
  • TI(德州仪器) LM2742
  • TI(德州仪器) LM2742
  • TI(德州仪器) LM2742
  • TI(德州仪器) LM2742
  • TI(德州仪器) LM2742
立即查看
您当前的位置: 首页 > 电源管理 > 直流/直流开关稳压器 > 降压稳压器 > LM2742
LM2742

LM2742

正在供货

具有可调节软启动的 2.2V 至 16V 电压模式同步降压控制器

产品详情
  • 说明
  • 特性
  • 参数
  • 封装 | 引脚 | 尺寸

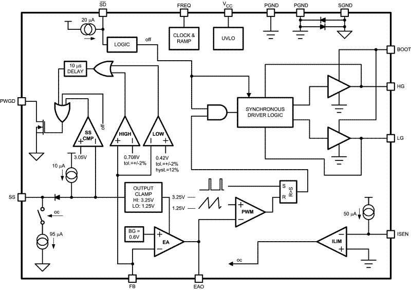
The LM2742 is a high-speed, synchronous, switching regulator controller. It is intended to control currents of 0.7A to 20A with up to 95% conversion efficiencies. Power up and down sequencing is achieved with the power-good flag, adjustable soft-start and output enable features. The LM2742 operates from a low-current 5V bias and can convert from a 1V to 16V power rail. The part utilizes a fixed-frequency, voltage-mode, PWM control architecture and the switching frequency is adjustable from 50kHz to 2MHz by setting the value of an external resistor. Current limit is achieved by monitoring the voltage drop across the on-resistance of the low-side MOSFET, which enables on-times on the order of 40ns, one of the best in the industry. The wide range of operating frequencies gives the power supply designer the flexibility to fine-tune component size, cost, noise and efficiency. The adaptive, non-overlapping MOSFET gate-drivers and high-side bootstrap structure helps to further maximize efficiency. The high-side power FET drain voltage can be from 1V to 16V and the output voltage is adjustable down to 0.6V.

  • Input Power from 1V to 16V
  • Output Voltage Adjustable down to 0.6V
  • Power Good Flag, Adjustable Soft-start and Output Enable for Easy Power Sequencing
  • Reference Accuracy: 1.5% (0°C–125°C)
  • Current Limit Without Sense Resistor
  • Soft Start
  • Switching Frequency from 50 kHz to 2 MHz
  • 40ns Typical Minimum On-time
  • TSSOP-14 Package

All trademarks are the property of their respective owners.

Vin (min) (V)2.2
Vin (max) (V)16
Vout (min) (V)0.6
Vout (max) (V)13.5
Iout (max) (A)20
Iq (typ) (mA)1.5
Switching frequency (min) (kHz)50
Switching frequency (max) (kHz)2000
FeaturesEnable, Power good, Synchronous Rectification
Operating temperature range (°C)-40 to 125
Regulated outputs (#)1
Number of phases1
RatingCatalog
Control modeVoltage mode
TypeController
TSSOP (PW)1432 mm² 5 x 6.4
产品购买
  • 商品型号
  • 封装
  • 工作温度
  • 包装
  • 价格
  • 现货库存
  • 操作
10s
温馨提示:
订单商品问题请移至我的售后服务提交售后申请,其他需投诉问题可移至我的投诉提交,我们将在第一时间给您答复
返回顶部