h1_key

TI(德州仪器) LM3670
德州仪器 (TI) 全系列产品在线购买
  • TI(德州仪器) LM3670
  • TI(德州仪器) LM3670
  • TI(德州仪器) LM3670
  • TI(德州仪器) LM3670
  • TI(德州仪器) LM3670
  • TI(德州仪器) LM3670
立即查看
您当前的位置: 首页 > 电源管理 > 直流/直流开关稳压器 > 降压稳压器 > LM3670
LM3670

LM3670

正在供货

用于超低电压电路的微型降压 DC-DC 转换器

产品详情
  • 说明
  • 特性
  • 参数
  • 封装 | 引脚 | 尺寸

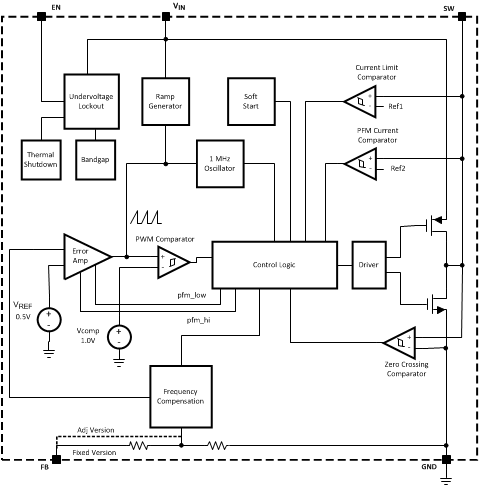
The LM3670 step-down DC-DC converter is optimized for powering ultralow voltage circuits from a single Li-Ion cell or three-cell NiMH/NiCd batteries. It provides up to 350-mA load current, over an input voltage range from 2.5 V to 5.5 V. There are several different fixed voltage output options available as well as an adjustable output voltage version.

The device offers superior features and performance for mobile phones and similar portable applications with complex power management systems. Automatic intelligent switching between pulse width modulation (PWM) low-noise and pulse frequency modulation (PFM) low-current mode offers improved system control. During full-power operation, a fixed-frequency 1-MHz (typical) PWM mode drives loads from approximately 70 mA to 350 mA maximum, with up to 95% efficiency. Hysteretic PFM mode extends the battery life through reduction of the quiescent current to 15 µA (typical) during light current loads and system standby. Internal synchronous rectification provides high efficiency (90% to 95% typical at loads between 1 mA and 100 mA). In shutdown mode (enable (EN) pin pulled low) the device turns off and reduces battery consumption to 0.1 µA (typical).

The LM3670 is available in a 5-pin SOT-23 package. A high switching frequency (1 MHz typical) allows use of tiny surface-mount components. Only three external surface-mount components, an inductor and two ceramic capacitors, are required.

For all available packages, see the orderable addendum at the end of the data sheet.

  • Input Voltage Range: 2.5 V to 5.5 V
  • Adjustable Output Voltages (VOUT): 0.7 V to 2.5 V
  • Fixed Output Voltages: 1.2 V, 1.5 V, 1.6 V, 1.8 V, 1.875 V, 3.3V
  • 15-µA Typical Quiescent Current
  • 350-mA Maximum Load Capability
  • 1-MHz PWM Fixed Switching Frequency (Typical)
  • Automatic PFM and PWM Mode Switching
  • Low Dropout Operation – 100% Duty Cycle Mode
  • Internal Synchronous Rectification for High Efficiency
  • Internal Soft Start
  • 0.1-µA Typical Shutdown Current
  • Current Overload Protection
  • Operates from a Single Li-Ion Cell or Three-Cell NiMH/NiCd Batteries
  • Only Three Tiny Surface-Mount External Components Required (One Inductor, Two Ceramic Capacitors)
Vin (min) (V)2.5
Vin (max) (V)5.5
Vout (min) (V)0.7
Vout (max) (V)3.3
Iout (max) (A)0.35
Iq (typ) (mA)0.015
Switching frequency (min) (kHz)550
Switching frequency (max) (kHz)1300
FeaturesEnable, Light load efficiency, Synchronous Rectification
Operating temperature range (°C)-40 to 85
RatingCatalog
Regulated outputs (#)1
Control modeVoltage mode
Duty cycle (max) (%)100
TypeConverter
SOT-23 (DBV)58.12 mm² 2.9 x 2.8
产品购买
  • 商品型号
  • 封装
  • 工作温度
  • 包装
  • 价格
  • 现货库存
  • 操作
10s
温馨提示:
订单商品问题请移至我的售后服务提交售后申请,其他需投诉问题可移至我的投诉提交,我们将在第一时间给您答复
返回顶部