h1_key

TI(德州仪器) TPS65145
德州仪器 (TI) 全系列产品在线购买
  • TI(德州仪器) TPS65145
  • TI(德州仪器) TPS65145
  • TI(德州仪器) TPS65145
  • TI(德州仪器) TPS65145
  • TI(德州仪器) TPS65145
  • TI(德州仪器) TPS65145
立即查看
您当前的位置: 首页 > 电源管理 > LCD 和 OLED 显示电源和驱动器 > TPS65145
TPS65145

TPS65145

正在供货

具有完全集成的正电荷泵、3.3V LDO 控制器、0.96A 最小升压电流限制和故障检测的 4 通道 LCD 偏置

产品详情
  • 说明
  • 特性
  • 参数
  • 封装 | 引脚 | 尺寸

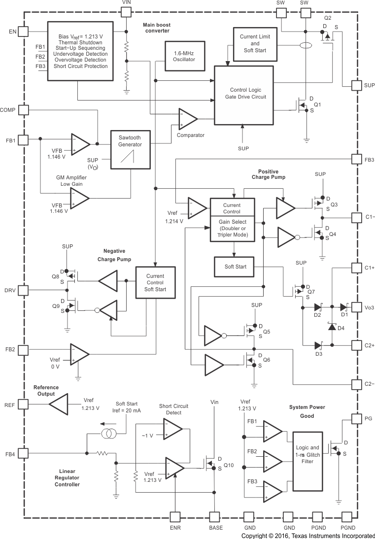
The TPS6514x series offers a compact and small power supply solution to provide all three voltages required by thin film transistor (TFT) LCD displays. The auxiliary linear regulator controller can be used to generate a 3.3-V logic power rail for systems powered by a 5-V supply rail only.

The main output VO1 is a 1.6-MHz fixed frequency PWM boost converter providing the source drive voltage for the LCD display. The device is available in two versions with different internal switch current limits to allow the use of a smaller external inductor when lower output power is required. The TPS65140 and TPS65141 has a typical switch current limit of 2.3 A and the TPS65145 has a typical switch current limit of 1.37 A. A fully integrated adjustable charge pump doubler or tripler provides the positive LCD gate drive voltage. An externally adjustable negative charge pump provides the negative gate drive voltage. Due to the high 1.6-MHz switching frequency of the charge pumps, inexpensive and small 220-nF capacitors can be used.

Additionally, the TPS6514x series has a system power good output to indicate when all supply rails are acceptable. For LCD panels powered by 5 V the device has a linear regulator controller using an external transistor to provide a regulated 3.3-V output for the digital circuits. For maximum safety, the TPS65140 and TPS65145 goes into shutdown as soon as one of the outputs is out of regulation. The device can be enabled again by toggling the input or the enable (EN) pin to GND. The TPS65141 does not enter shutdown when one of its outputs is below its power good threshold.

  • 2.7-V to 5.8-V Input Voltage Range
  • 1.6-MHz Fixed Switching Frequency
  • 3 Independent Adjustable Outputs
  • Main Output up to 15 V With <1% Typical Output
    Voltage Accuracy
  • Virtual Synchronous Converter Technology
  • Negative Regulated Charge Pump Driver VO2
  • Positive Charge Pump Converter VO3
  • Auxiliary 3.3-V Linear Regulator Controller
  • Internal Soft Start
  • Internal Power-On Sequencing
  • Fault Detection of All Outputs (TPS65140 and
    TPS65145)
  • No Fault Detection (TPS65141)
  • Thermal Shutdown
  • System Power Good
  • Available in 24-Pin HTSSOP and 24-Pin VQFN
    PowerPAD™ Packages
Display typeLCD unipolar
IC integrationLCD bias
Vin (min) (V)2.7
Vin (max) (V)5.5
Applications13 to 21 inches, 7 to 13 inches
Source driver voltage (min) (V)5
Source driver voltage (max) (V)15
Level shifter/scan driver (Ch)0
V_POS (max) (V)30
V_NEG (max) (V)-2
TopologyBoost
RatingCatalog
Operating temperature range (°C)-40 to 85
HTSSOP (PWP)2449.92 mm² 7.8 x 6.4
VQFN (RGE)2416 mm² 4 x 4
产品购买
  • 商品型号
  • 封装
  • 工作温度
  • 包装
  • 价格
  • 现货库存
  • 操作
10s
温馨提示:
订单商品问题请移至我的售后服务提交售后申请,其他需投诉问题可移至我的投诉提交,我们将在第一时间给您答复
返回顶部