h1_key

TI(德州仪器) TPS723
德州仪器 (TI) 全系列产品在线购买
  • TI(德州仪器) TPS723
  • TI(德州仪器) TPS723
  • TI(德州仪器) TPS723
  • TI(德州仪器) TPS723
  • TI(德州仪器) TPS723
  • TI(德州仪器) TPS723
立即查看
您当前的位置: 首页 > 电源管理 > 线性和低压降 (LDO) 稳压器 > TPS723
TPS723

TPS723

正在供货

具有使能功能的 200mA、负电压、可调节低压降稳压器

产品详情
  • 说明
  • 特性
  • 参数
  • 封装 | 引脚 | 尺寸

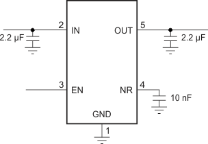
The TPS723 low-dropout (LDO) negative voltage regulator offers an ideal combination of features to support low noise applications. This device is capable of operating with input voltages from –10 V to –2.7 V, and support outputs from –10 V to –1.2 V. This regulator is stable with small, low-cost ceramic capacitors, and include enable (EN) and noise reduction (NR) functions. Thermal short-circuit and over-current protections are provided by internal detection and shutdown logic. High PSRR (65 dB at 1 kHz) and low noise (60 µVRMS) make the TPS723 ideal for low-noise applications.

The TPS723 uses a precision voltage reference to achieve 2% overall accuracy over load, line, and temperature variations. Available in a small SOT23-5 package, the TPS723 is fully specified over a temperature range of –40°C to 125°C.

  • Ultralow noise: 60 µVRMS typical
  • High PSRR: 65 dB typical at 1 kHz
  • Low dropout voltage: 280 mV typical at 200 mA, 2.5 V
  • Available in –2.5-V and adjustable (–1.2 V to –10 V) versions
  • Stable with a 2.2-µF ceramic output capacitor
  • Less than 2-µA typical quiescent current in shutdown mode
  • 2% overall accuracy
    (line, load, temperature)
  • Thermal and over-current protection
  • Packages:
    • SOT23-5 (DBV)
    • SOT23-5 (DDC)
    • WSON-6 (DRV)
  • Operating junction temperature range: –40°C to 125°C
Output optionsAdjustable Output, Fixed Output, Negative Output
Iout (max) (A)0.2
Vin (max) (V)-2.7
Vin (min) (V)-10
Vout (max) (V)-1.2
Vout (min) (V)-9.75
Fixed output options (V)-2.5
Noise (µVrms)60
Iq (typ) (mA)0.13
Thermal resistance θJA (°C/W)85.6, 195
RatingCatalog
Load capacitance (min) (µF)2.2
Regulated outputs (#)1
FeaturesEnable
Accuracy (%)2
PSRR at 100 KHz (dB)48
Dropout voltage (Vdo) (typ) (mV)280
Operating temperature range (°C)-40 to 125
SOT-23 (DBV)58.12 mm² 2.9 x 2.8
SOT-23-THN (DDC)58.12 mm² 2.9 x 2.8
WSON (DRV)64 mm² 2 x 2
产品购买
  • 商品型号
  • 封装
  • 工作温度
  • 包装
  • 价格
  • 现货库存
  • 操作
10s
温馨提示:
订单商品问题请移至我的售后服务提交售后申请,其他需投诉问题可移至我的投诉提交,我们将在第一时间给您答复
返回顶部