h1_key

TI(德州仪器) TLC5922
德州仪器 (TI) 全系列产品在线购买
  • TI(德州仪器) TLC5922
  • TI(德州仪器) TLC5922
  • TI(德州仪器) TLC5922
  • TI(德州仪器) TLC5922
  • TI(德州仪器) TLC5922
  • TI(德州仪器) TLC5922
立即查看
您当前的位置: 首页 > 电源管理 > LED 驱动器 > LED 显示驱动器 > TLC5922
TLC5922

TLC5922

正在供货

具有 20MHz 数据传输速率的 16 通道 LED 驱动器,不带点校正功能

产品详情
  • 说明
  • 特性
  • 参数
  • 封装 | 引脚 | 尺寸

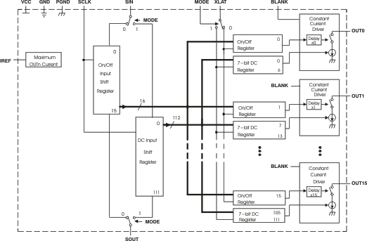
The TLC5922 is a 16-channel constant-current sink driver. Each channel has an On/Off state and a 128-step adjustable constant-current sink (dot correction). The dot correction adjusts the brightness variations between LED, LED channels, and other LED drivers. Both dot correction and On/Off state are accessible via a serial data interface. A single external resistor sets the maximum current of all 16 channels.

  • 16 Channels
  • Drive Capability
    • 0 to 80 mA (Constant-Current Sink)
  • Constant Current Accuracy
    • ±1% (typical)
  • Serial Data Interface, SPI Compatible
  • Fast Switching Output: Tr / Tf = 10ns (typical)
  • CMOS Level Input/Output
  • 30 MHz Data Transfer Rate
  • VCC = 3.0 V to 5.5 V
  • Operating Temperature = –20°C to 85 °C
  • LED Supply Voltage up to 17 V
  • 32-pin HTSSOP (PowerPAD) Package
  • Dot Correction
    • 7 bit (128 Steps)
    • Individually Adjustable For Each Channel
  • Controlled In-Rush Current
  • APPLICATIONS
    • Monocolor, Multicolor, Fullcolor LED Display
    • Monocolor, Multicolor LED Signboard
    • Display Backlighting
    • Multicolor LED Lighting Applications

PowerPAD is a trademark of Texas Instruments.

FeaturesON/OFF LED Driver
Analog dimming steps128
Data transfer rate (typ) (MHz)30
Ch to ch accuracy (typ) (±%)1
RatingCatalog
Operating temperature range (°C)-20 to 85
HTSSOP (DAP)3289.1 mm² 11 x 8.1
产品购买
  • 商品型号
  • 封装
  • 工作温度
  • 包装
  • 价格
  • 现货库存
  • 操作
10s
温馨提示:
订单商品问题请移至我的售后服务提交售后申请,其他需投诉问题可移至我的投诉提交,我们将在第一时间给您答复
返回顶部