h1_key

TI(德州仪器) UCC2808A-2Q1
德州仪器 (TI) 全系列产品在线购买
  • TI(德州仪器) UCC2808A-2Q1
  • TI(德州仪器) UCC2808A-2Q1
  • TI(德州仪器) UCC2808A-2Q1
  • TI(德州仪器) UCC2808A-2Q1
  • TI(德州仪器) UCC2808A-2Q1
  • TI(德州仪器) UCC2808A-2Q1
立即查看
您当前的位置: 首页 > 电源管理 > 交流/直流和隔离式直流/直流开关稳压器 > PWM 控制器 > UCC2808A-2Q1
UCC2808A-2Q1

UCC2808A-2Q1

正在供货

汽车类 4.1V 至 15V、1A 推挽式电流模式 PWM 控制器

产品详情
  • 说明
  • 特性
  • 参数
  • 封装 | 引脚 | 尺寸

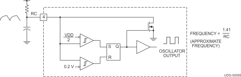
The UCC2808A-xQ1 is a family of BiCMOS push-pull, high-speed, low-power, pulse-width modulators. The UCC2808A-xQ1 contains all of the control and drive circuitry required for off-line or DC-to-DC fixed frequency current-mode switching power supplies with minimal external parts count.

The UCC2808A-xQ1 dual output drive stages are arranged in a push-pull configuration. Both outputs switch at half the oscillator frequency using a toggle flip-flop. The dead time between the two outputs is typically 60 ns to 200 ns depending on the values of the timing capacitor and resistors, thus limiting each output stage duty cycle to less than 50%.

The UCC2808A-xQ1 family offers a variety of package options and choice of undervoltage lockout levels. The family has UVLO thresholds and hysteresis options for off-line and battery powered systems. Thresholds are shown in the ordering information table.

The UCC2808A-xQ1 is an enhanced version of the UCC2808 family. The significant difference is that the A versions feature an internal discharge transistor from the CS pin to ground, which is activated each clock cycle during the oscillator dead time. The feature discharges any filter capacitance on the CS pin during each cycle and helps minimize filter capacitor values and current sense delay.

  • Qualified for Automotive Applications
  • ESD Protection Exceeds 1500 V Per MIL-STD-883, Method 3015; Exceeds 200 V
    Using Machine Model (C = 200 pF, R = 0)
  • Dual Output Drive Stages in Push-Pull Configuration
  • Current Sense Discharge Transistor to Improve Dynamic Response
  • 130-µA Typical Starting Current
  • 1-mA Typical Run Current
  • Operation to 1 MHz
  • Internal Soft Start
  • On-Chip Error Amplifier With 2-MHz Gain Bandwidth Product
  • On Chip VDD Clamping
  • Output Drive Stages Capable of 500-mA Peak-Source Current,
    1-A Peak-Sink Current

TopologyPush pull
Control modeCurrent
Duty cycle (max) (%)50
Switching frequency (max) (kHz)1000
FeaturesSoft start
UVLO thresholds on/off (V)4.3/4.1
Operating temperature range (°C)-40 to 125
RatingAutomotive
Gate drive (typ) (A)1
Vin (max) (V)14
SOIC (D)829.4 mm² 4.9 x 6
产品购买
  • 商品型号
  • 封装
  • 工作温度
  • 包装
  • 价格
  • 现货库存
  • 操作

很抱歉,暂时无法提供与“UCC2808A-2Q1”系列相匹配的产品,您可以联系专属客服快速找货或在现货搜索框中重新搜索。

10s
温馨提示:
订单商品问题请移至我的售后服务提交售后申请,其他需投诉问题可移至我的投诉提交,我们将在第一时间给您答复
返回顶部