h1_key

TI(德州仪器) LP3997
德州仪器 (TI) 全系列产品在线购买
  • TI(德州仪器) LP3997
  • TI(德州仪器) LP3997
  • TI(德州仪器) LP3997
  • TI(德州仪器) LP3997
  • TI(德州仪器) LP3997
  • TI(德州仪器) LP3997
立即查看
您当前的位置: 首页 > 电源管理 > 线性和低压降 (LDO) 稳压器 > LP3997
LP3997

LP3997

正在供货

具有电源正常指示和使能功能的 250mA、低压降稳压器

产品详情
  • 说明
  • 特性
  • 参数
  • 封装 | 引脚 | 尺寸

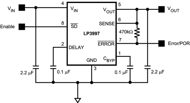
The LP3997 regulator is designed to meet the requirements of portable, battery-powered systems, providing accurate output voltage, low noise, and low quiescent current. The LP3997 provides 3.3V output at up to 250mA load current. The chip architecture is capable of providing output voltages as low as 0.8V. When switched in shutdown mode, the power consumption is virtually zero.

The LP3997 is designed to be stable with space saving ceramic output capacitor as small as 1µF.

The LP3997 also includes an out-of-regulation error flag. When the output is more than 5% below its nominal voltage, the error flag sets to low. If a capacitor is connected to device’s delay pin, a delayed power-on reset signal will be generated.

  • Low 140-mV Dropout at 250-mA Load
  • Stable With Ceramic Capacitor.
  • Low Noise With Bypass Capacitor
  • Less Than 80 µA Typical IQ at 250 mA
  • Virtually Zero IQ (Disabled)
  • Thermal and Short Circuit Protection
  • 3.3-V Output For other voltage options, contact your TI sales office
  • 8-Lead VSSOP Package For other package options, contact your TI sales office.

All trademarks are the property of their respective owners.

Output optionsFixed Output
Iout (max) (A)0.25
Vin (max) (V)6
Vin (min) (V)2
Vout (max) (V)3.3
Vout (min) (V)3.3
Fixed output options (V)3.3
Noise (µVrms)100
Iq (typ) (mA)0.055
Thermal resistance θJA (°C/W)210
RatingCatalog
Load capacitance (min) (µF)1
Regulated outputs (#)1
FeaturesEnable, Power good
Accuracy (%)3
PSRR at 100 KHz (dB)35
Dropout voltage (Vdo) (typ) (mV)140
Operating temperature range (°C)-40 to 125
VSSOP (DGK)814.7 mm² 3 x 4.9
产品购买
  • 商品型号
  • 封装
  • 工作温度
  • 包装
  • 价格
  • 现货库存
  • 操作
10s
温馨提示:
订单商品问题请移至我的售后服务提交售后申请,其他需投诉问题可移至我的投诉提交,我们将在第一时间给您答复
返回顶部