h1_key

TI(德州仪器) UC28023
德州仪器 (TI) 全系列产品在线购买
  • TI(德州仪器) UC28023
  • TI(德州仪器) UC28023
  • TI(德州仪器) UC28023
  • TI(德州仪器) UC28023
  • TI(德州仪器) UC28023
  • TI(德州仪器) UC28023
立即查看
您当前的位置: 首页 > 电源管理 > 交流/直流和隔离式直流/直流开关稳压器 > PWM 控制器 > UC28023
UC28023

UC28023

正在供货

经济型单端高速 PWM 控制器

产品详情
  • 说明
  • 特性
  • 参数
  • 封装 | 引脚 | 尺寸

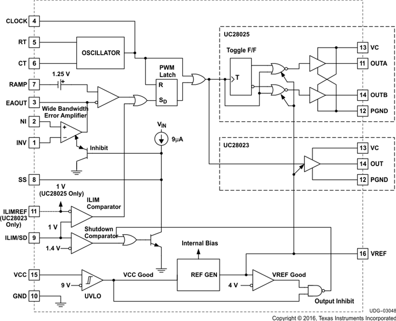
The UC28023 and UC28025 are fixed-frequency PWM controllers optimized for high-frequency switched-mode power-supply applications. The UC28023 is a single output PWM for single-ended topologies while the UC28025 offers dual alternating outputs for double-ended and full bridge topologies.

Targeted for cost-effective solutions with minimal external components. UC2802x devices include an oscillator, a temperature compensated reference, a wide bandwidth error amplifier, a high-speed current-sense comparator, and high-current, active-high, totem-pole outputs to directly drive external MOSFETs.

Protection circuitry includes a current limit comparator with a 1-V threshold, a TTL compatible shutdown port, and a soft-start pin which doubles as a maximum duty-cycle clamp. The logic is fully latched to provide jitter-free operation and prohibit multiple pulses at an output. An undervoltage lockout section with 800 mV of hysteresis assures low start-up current. During undervoltage lockout, the outputs are high impedance. Propagation delays through the comparators and logic circuitry have been minimized while maximizing bandwidth and slew rate of the error amplifier.

Devices are available in the industrial temperature range of –40°C to 105°C. Package offerings are 16-pin SOIC (DW), or 16-pin PDIP (N) packages.

  • Peak Current Mode, Average Current Mode, or Voltage Mode (With FeedForward) Control Methods
  • Practical Operation Up to 1 MHz
  • 50-ns Propagation Delay to Output
  • ±1.5-A Peak Totem Pole Outputs
  • 9-V to 30-V Nominal Operational Voltage
  • Wide Bandwidth Error Amplifier
  • Fully Latched Logic With Double Pulse Suppression
  • Pulse-by-Pulse Current Limiting
  • Programmable Maximum Duty Cycle Control
  • Undervoltage Lockout With Hysteresis
  • Trimmed 5.1-V Reference With UVLO
  • Same Functionality as UC3823 and UC3825
TopologyBoost, Flyback, Forward
Control modeCurrent, Feedforward, Voltage
Duty cycle (max) (%)90
Switching frequency (max) (kHz)1000
FeaturesError amplifier, Multi-topology, Soft start, Synchronization pin
UVLO thresholds on/off (V)9.2/8.4
Operating temperature range (°C)-40 to 105
RatingCatalog
Gate drive (typ) (A)1.5
Vin (max) (V)12
SOIC (DW)16106.09 mm² 10.3 x 10.3
产品购买
  • 商品型号
  • 封装
  • 工作温度
  • 包装
  • 价格
  • 现货库存
  • 操作
10s
温馨提示:
订单商品问题请移至我的售后服务提交售后申请,其他需投诉问题可移至我的投诉提交,我们将在第一时间给您答复
返回顶部