h1_key

TI(德州仪器) LM8365
德州仪器 (TI) 全系列产品在线购买
  • TI(德州仪器) LM8365
  • TI(德州仪器) LM8365
  • TI(德州仪器) LM8365
  • TI(德州仪器) LM8365
  • TI(德州仪器) LM8365
  • TI(德州仪器) LM8365
立即查看
您当前的位置: 首页 > 电源管理 > 监控器和复位 IC > LM8365
LM8365

LM8365

正在供货

具有低静态电流和可编程输出延迟的低电平有效复位 IC

产品详情
  • 说明
  • 特性
  • 参数
  • 封装 | 引脚 | 尺寸

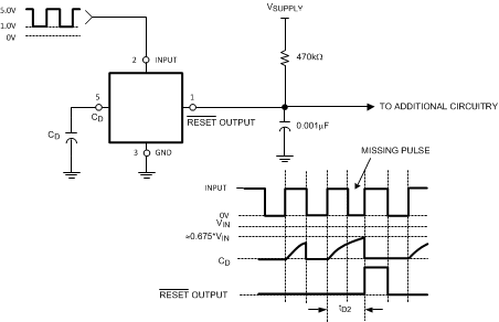
The LM8365 device is a micropower undervoltage sensing circuit that is ideal for use in battery-powered microprocessor based systems, where extended battery life is a key requirement.

Threshold voltages of 2.7 V and 4.5 V are available with an active-low, open-drain output. These devices feature a very-low quiescent current of 0.65 µA typical. The LM8365 features a highly accurate voltage reference, a comparator with precise thresholds and built-in hysteresis to prevent erratic reset operation, a time delayed output which can be programmed by the system designer, and specified Reset operation down to 1 V with extremely-low standby current.

  • Extremely-Low Quiescent Current: 0.62 µA at
    VIN = 2.6 V
  • High Accuracy Threshold Voltage (±2.5%)
  • Open-Drain Output
  • Programmable Output Delay by External Capacitor
    (130 ms Typical With 0.1 µF)
  • Input Voltage Range: 1 V to 6 V
  • Pin-for-Pin Compatible With MC33465
Number of supplies monitored1
Threshold voltage 1 (typ) (V)2.7, 4.5
Reset threshold accuracy (%)2.5
Iq (typ) (mA)0.00065
Output driver type/reset outputActive-low, Open-drain
Supply voltage (min) (V)1
Supply voltage (max) (V)6
RatingCatalog
Watchdog timer WDI (s)None
Operating temperature range (°C)-40 to 85
SOT-23 (DBV)58.12 mm² 2.9 x 2.8
产品购买
  • 商品型号
  • 封装
  • 工作温度
  • 包装
  • 价格
  • 现货库存
  • 操作
10s
温馨提示:
订单商品问题请移至我的售后服务提交售后申请,其他需投诉问题可移至我的投诉提交,我们将在第一时间给您答复
返回顶部