h1_key

TI(德州仪器) LP3871
德州仪器 (TI) 全系列产品在线购买
  • TI(德州仪器) LP3871
  • TI(德州仪器) LP3871
  • TI(德州仪器) LP3871
  • TI(德州仪器) LP3871
  • TI(德州仪器) LP3871
  • TI(德州仪器) LP3871
立即查看
您当前的位置: 首页 > 电源管理 > 线性和低压降 (LDO) 稳压器 > LP3871
LP3871

LP3871

正在供货

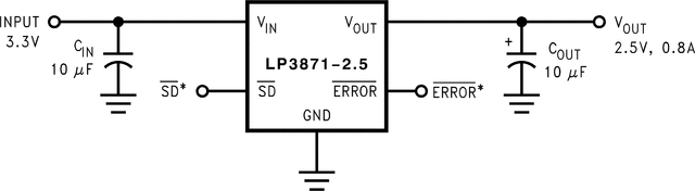
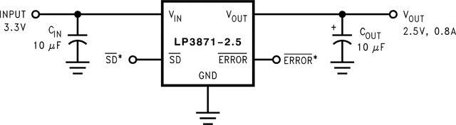
具有电源正常指示和使能功能的 800mA、7V、低压降稳压器

产品详情
  • 说明
  • 特性
  • 参数
  • 封装 | 引脚 | 尺寸

The LP3871 and LP3874 series of fast ultra-low-dropout linear regulators operate from a 2.5-V to 7-V input supply. Wide range of preset output voltage options are available. These ultra-low-dropout linear regulators respond very quickly to step changes in load, which makes them suitable for low voltage microprocessor applications. The devices are developed on a CMOS process which allows low quiescent current operation independent of output load current. This CMOS process also allows the LP3871 and LP3874 to operate under extremely low dropout conditions.

Dropout Voltage: Ultra-low-dropout voltage; typically 24 mV at 80-mA load current and 240 mV at 0.8-A load current.

Ground Pin Current: Typically 6 mA at 0.8-A load current.

Shutdown Mode: Typically 10-nA quiescent current when the SD pin is pulled low.

ERROR Flag: ERROR flag goes low when the output voltage drops 10% below nominal value.

SENSE: SENSE pin improves regulation at remote loads.

Precision Output Voltage: Multiple output voltage options are available ranging from 1.8 V to 5 V with a ensured accuracy of ±1.5% at room temperature, and ±3% over all conditions (varying line, load, and temperature).

  • Input Voltage: 2.5 V to 7 V
  • Ultra-Low-Dropout Voltage
  • Low Ground Pin Current
  • Load Regulation of 0.04%
  • 10-nA Quiescent Current in Shutdown Mode
  • Specified Output Current of 0.8-A DC
  • Output Voltage Accuracy ±1.5%
  • ERROR Flag Indicates Output Status
  • SENSE Option Improves Load Regulation
  • Minimum Output Capacitor Requirements
  • Overtemperature/Overcurrent Protection
  • −40°C to +125°C Junction Temperature Range
Output optionsFixed Output
Iout (max) (A)0.8
Vin (max) (V)7
Vin (min) (V)2.5
Vout (max) (V)5
Vout (min) (V)1.8
Fixed output options (V)1.8, 2.5, 3.3, 5
Noise (µVrms)100
Iq (typ) (mA)5
Thermal resistance θJA (°C/W)40
RatingCatalog
Load capacitance (min) (µF)10
Regulated outputs (#)1
FeaturesEnable, Power good
Accuracy (%)2
Dropout voltage (Vdo) (typ) (mV)240
Operating temperature range (°C)-40 to 125
SOT-223 (NDC)545.24 mm² 6.5 x 6.96
TO-263 (KTT)5154.8384 mm² 10.16 x 15.24
产品购买
  • 商品型号
  • 封装
  • 工作温度
  • 包装
  • 价格
  • 现货库存
  • 操作
10s
温馨提示:
订单商品问题请移至我的售后服务提交售后申请,其他需投诉问题可移至我的投诉提交,我们将在第一时间给您答复
返回顶部