h1_key

TI(德州仪器) TPS61042
德州仪器 (TI) 全系列产品在线购买
  • TI(德州仪器) TPS61042
  • TI(德州仪器) TPS61042
  • TI(德州仪器) TPS61042
  • TI(德州仪器) TPS61042
  • TI(德州仪器) TPS61042
  • TI(德州仪器) TPS61042
立即查看
您当前的位置: 首页 > 电源管理 > LED 驱动器 > 背光 LED 驱动器 > TPS61042
TPS61042

TPS61042

正在供货

采用 QFN-8 封装、适用于白光 LED 应用的 30V 500mA 开关升压转换器

产品详情
  • 说明
  • 特性
  • 参数
  • 封装 | 引脚 | 尺寸

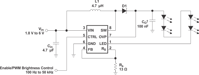
The TPS61042 is a high frequency boost converter with constant current output that drives white LEDs or similar. The LED current is set with the external sense resistor (RS) and is directly regulated by the feedback pin (FB) that regulates the voltage across the sense resistor RS to 252 mV (typ). To control LED brightness, the LED current can be pulsed by applying a PWM (pulse width modulated) signal with a frequency range of 100 Hz to 50 kHz to the control pin (CTRL). To allow higher flexibility, the device can be configured where the brightness can be controlled by an analog signal as well, as described in the application information section. To avoid possible leakage currents through the LEDs during shutdown, the control pin (CTRL) disables the device and disconnects the LEDs from ground. For maximum safety during operation, the output has integrated overvoltage protection that prevents damage to the device in case of a high impedance output (e.g. faulty LED).

  • Current Source With Overvoltage Protection
  • Input Voltage Range: 1.8 V to 6 V
  • Internal 30 V Switch
  • Up to 85% Efficiency
  • Precise Brightness Control Using PWM Signal or
    Analog Signal
  • Switching Frequency: Up to 1 MHz
  • Internal Power MOSFET Switch: 500 mA
  • Operates With Small Output Capacitors Down to 100 nF
  • Disconnects LEDs During Shutdown
  • No Load Quiescent Current: 38 µA Typ
  • Shutdown Current: 0.1 µA Typ
  • Available in a Small 3 mm × 3 mm QFN Package
Number of channels1
Vin (min) (V)1.8
Vin (max) (V)6
Vout (min) (V)1.8
Vout (max) (V)28
TypeInductive
Switching frequency (max) (kHz)1000
Duty cycle (max) (%)88
LED current per channel (mA)50
Peak efficiency (%)85
TopologyBoost
FeaturesLoad Disconnect During Shutdown
Operating temperature range (°C)-40 to 85
RatingCatalog
VSON (DRB)89 mm² 3 x 3
产品购买
  • 商品型号
  • 封装
  • 工作温度
  • 包装
  • 价格
  • 现货库存
  • 操作
10s
温馨提示:
订单商品问题请移至我的售后服务提交售后申请,其他需投诉问题可移至我的投诉提交,我们将在第一时间给您答复
返回顶部