h1_key

TI(德州仪器) LM2724A
德州仪器 (TI) 全系列产品在线购买
  • TI(德州仪器) LM2724A
  • TI(德州仪器) LM2724A
  • TI(德州仪器) LM2724A
  • TI(德州仪器) LM2724A
  • TI(德州仪器) LM2724A
  • TI(德州仪器) LM2724A
立即查看
您当前的位置: 首页 > 电源管理 > 直流/直流开关稳压器 > 降压稳压器 > LM2724A
LM2724A

LM2724A

正在供货

高速 3A 同步 MOSFET 驱动器

产品详情
  • 说明
  • 特性
  • 参数
  • 封装 | 引脚 | 尺寸

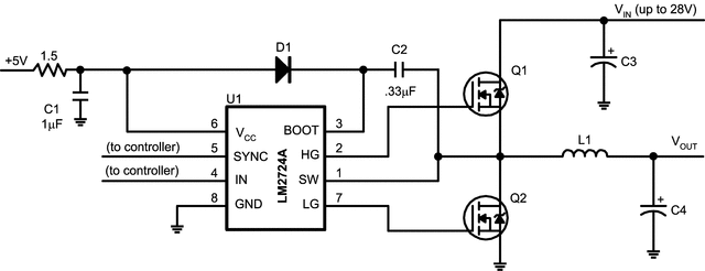
The LM2724A is a dual N-channel MOSFET driver which can drive both the top and bottom MOSFETs in a push-pull structure simultaneously. The LM2724A takes a logic input and splits it into two complimentary signals with a typical 20ns dead time in between. The built-in cross-conduction protection circuitry prevents the top and bottom MOSFETs from turning on simultaneously. With a bias voltage of 5V, the peak sourcing and sinking current for each driver of the LM2724A is about 3A. Input UVLO (Under-Voltage-Lock-Out) ensures that all the driver outputs stay low until the supply rail exceeds the power-on threshold during system power on, or after the supply rail drops below power-on threshold by a specified hysteresis during system power down. The cross-conduction protection circuitry detects both driver outputs and will not turn on a driver until the other driver output is low. The top gate voltage needed by the top MOSFET is obtained through an external boot-strap structure. When not switching, the LM2724A only draws up to 195µA from the 5V rail. The synchronization operation of the bottom MOSFET can be disabled by pulling the SYNC pin to ground.

  • Shoot-Through Protection
  • Input Under-Voltage-Lock-Out
  • 3A Peak Driving Current
  • 195µA Quiescent Current
  • 28V Input Voltage in Buck Configuration
  • SOIC-8 and WSON Packages

All trademarks are the property of their respective owners.

Vin (min) (V)4.3
Vin (max) (V)28
Iout (max) (A)3
Iq (typ) (mA)0.195
FeaturesUVLO Fixed
Operating temperature range (°C)-40 to 125
RatingCatalog
Regulated outputs (#)1
Duty cycle (max) (%)100
TypeController
SOIC (D)829.4 mm² 4.9 x 6
产品购买
  • 商品型号
  • 封装
  • 工作温度
  • 包装
  • 价格
  • 现货库存
  • 操作
10s
温馨提示:
订单商品问题请移至我的售后服务提交售后申请,其他需投诉问题可移至我的投诉提交,我们将在第一时间给您答复
返回顶部