h1_key

TI(德州仪器) LP3876
德州仪器 (TI) 全系列产品在线购买
  • TI(德州仪器) LP3876
  • TI(德州仪器) LP3876
  • TI(德州仪器) LP3876
  • TI(德州仪器) LP3876
  • TI(德州仪器) LP3876
  • TI(德州仪器) LP3876
立即查看
您当前的位置: 首页 > 电源管理 > 线性和低压降 (LDO) 稳压器 > LP3876
LP3876

LP3876

正在供货

具有使能功能的 3A、7V、低压降稳压器

产品详情
  • 说明
  • 特性
  • 参数
  • 封装 | 引脚 | 尺寸

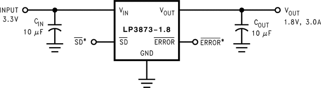
The LP3873/LP3876 series of fast ultra low-dropout linear regulators operate from a +2.5V to +7.0V input supply. Wide range of preset output voltage options are available. These ultra low dropout linear regulators respond very quickly to step changes in load, which makes them suitable for low voltage microprocessor applications. The LP3873/LP3876 are developed on a CMOS process which allows low quiescent current operation independent of output load current. This CMOS process also allows the LP3873/LP3876 to operate under extremely low dropout conditions.

Dropout Voltage: Ultra low dropout voltage; typically 80mV at 300mA load current and 800mV at 3A load current.

Ground Pin Current: Typically 6mA at 3A load current.

Shutdown Mode: Typically 1µA quiescent current when the shutdown pin is pulled low.

Error Flag:Error flag goes low when the output voltage drops 10% below nominal value.

SENSE: Sense pin improves regulation at remote loads.

Precision Output Voltage: Multiple output voltage options are available ranging from 1.8V to 5.0V with an ensured accuracy of ±1.5% at room temperature, and ±3.0% over all conditions (varying line, load, and temperature).

  • Ultra Low Dropout Voltage
  • Low Ground Pin Current
  • Load Regulation of 0.08%
  • 1µA Quiescent Current in Shutdown Mode
  • Ensured Output Current of 3A DC
  • Available in DDPAK/TO-263 and TO-220 Packages
  • Output Voltage Accuracy ± 1.5%
  • Error Flag Indicates Output Status
  • Sense Option Improves Load Regulation
  • Minimum Output Capacitor Requirements
  • Overtemperature/overcurrent Protection
  • −40°C to +125°C Junction Temperature Range

All trademarks are the property of their respective owners.

Output optionsFixed Output
Iout (max) (A)3
Vin (max) (V)7
Vin (min) (V)2.5
Vout (max) (V)5
Vout (min) (V)1.8
Fixed output options (V)1.8, 2.5, 3.3, 5
Noise (µVrms)100
Iq (typ) (mA)6
Thermal resistance θJA (°C/W)50
RatingCatalog
Load capacitance (min) (µF)10
Regulated outputs (#)1
FeaturesEnable
Accuracy (%)4
Dropout voltage (Vdo) (typ) (mV)800
Operating temperature range (°C)-40 to 125
TO-220 (NDH)586.0552 mm² 10.16 x 8.47
TO-263 (KTT)5154.8384 mm² 10.16 x 15.24
产品购买
  • 商品型号
  • 封装
  • 工作温度
  • 包装
  • 价格
  • 现货库存
  • 操作
10s
温馨提示:
订单商品问题请移至我的售后服务提交售后申请,其他需投诉问题可移至我的投诉提交,我们将在第一时间给您答复
返回顶部