h1_key

TI(德州仪器) LM5041
德州仪器 (TI) 全系列产品在线购买
  • TI(德州仪器) LM5041
  • TI(德州仪器) LM5041
  • TI(德州仪器) LM5041
  • TI(德州仪器) LM5041
  • TI(德州仪器) LM5041
  • TI(德州仪器) LM5041
立即查看
您当前的位置: 首页 > 电源管理 > 交流/直流和隔离式直流/直流开关稳压器 > PWM 控制器 > LM5041
LM5041

LM5041

正在供货

具有断续模式的级联 PWM 控制器

产品详情
  • 说明
  • 特性
  • 参数
  • 封装 | 引脚 | 尺寸

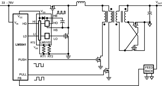
The LM5041 PWM controller contains all of the features necessary to implement either current-fed or voltage-fed push-pull or bridge power converters. These “Cascaded” topologies are well suited for multiple output and higher power applications. The LM5041’s four control outputs include: the buck stage controls (HD and LD) and the push-pull control outputs (PUSH and PULL). Push-pull outputs are driven at 50% nominal duty cycle at one half of the switching frequency of the buck stage and can be configured for either a specified overlap time (for current-fed applications) or a specified both-off time (for voltage-fed applications). Push-pull stage MOSFETs can be driven directly from the internal gate drivers while the buck stage requires an external driver such as the LM5102. The LM5041 includes a high-voltage start-up regulator that operates over a wide input range of 15V to 100V. The PWM controller is designed for high-speed capability including an oscillator frequency range up to 1 MHz and total propagation delays of less than 100ns. Additional features include: line Under-Voltage Lockout (UVLO), soft-start, an error amplifier, precision voltage reference, and thermal shutdown.

  • Internal Start-up Bias Regulator
  • Programmable Line Under-Voltage Lockout (UVLO) with Adjustable Hysteresis
  • Current Mode Control
  • Internal Error Amplifier with Reference
  • Dual Mode Over-Current Protection
  • Leading Edge Blanking
  • Programmable Push-Pull Overlap or Dead Time
  • Internal 1.5A Push-Pull Gate Drivers
  • Programmable Soft-start
  • Programmable Oscillator with Sync Capability
  • Precision Reference
  • Thermal Shutdown

Packages

  • TSSOP-16
  • WSON-16 (5x5 mm) Thermally Enhanced

All trademarks are the property of their respective owners.

TopologyPush pull
Control modeCurrent
Duty cycle (max) (%)50
Switching frequency (max) (kHz)1000
FeaturesCurrent limiting, Programmable soft start, Synchronization pin
UVLO thresholds on/off (V)Programmable/2.5V
Operating temperature range (°C)-40 to 125
RatingCatalog
Gate drive (typ) (A)1.5
Vin (max) (V)15
TSSOP (PW)1632 mm² 5 x 6.4
WSON (NHQ)1625 mm² 5 x 5
产品购买
  • 商品型号
  • 封装
  • 工作温度
  • 包装
  • 价格
  • 现货库存
  • 操作
10s
温馨提示:
订单商品问题请移至我的售后服务提交售后申请,其他需投诉问题可移至我的投诉提交,我们将在第一时间给您答复
返回顶部