h1_key

TI(德州仪器) LM2642
德州仪器 (TI) 全系列产品在线购买
  • TI(德州仪器) LM2642
  • TI(德州仪器) LM2642
  • TI(德州仪器) LM2642
  • TI(德州仪器) LM2642
  • TI(德州仪器) LM2642
  • TI(德州仪器) LM2642
立即查看
您当前的位置: 首页 > 电源管理 > 直流/直流开关稳压器 > 降压稳压器 > LM2642
LM2642

LM2642

正在供货

4.5V 至 30V 两相峰值电流模式同步降压控制器

产品详情
  • 说明
  • 特性
  • 参数
  • 封装 | 引脚 | 尺寸

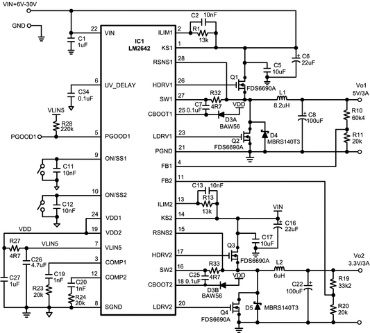
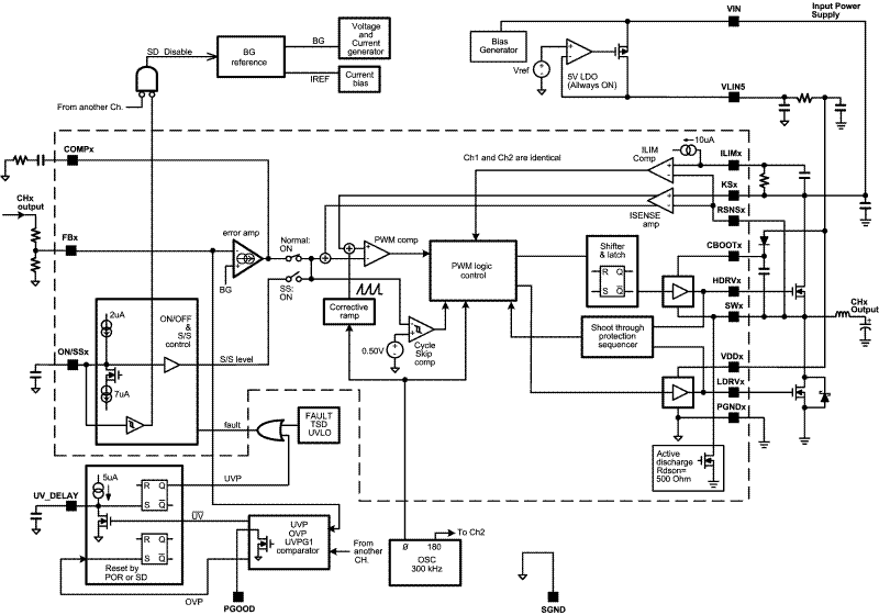
The LM2642 consists of two current mode synchronous buck regulator controllers with a switching frequency of 300kHz.

The two switching regulator controllers operate 180° out of phase. This feature reduces the input ripple RMS current, thereby significantly reducing the required input capacitance. The two switching regulator outputs can also be paralleled to operate as a dual-phase single output regulator.

The output of each channel can be independently adjusted from 1.3 to VIN• maximum duty cycle. An internal 5V rail is also available externally for driving bootstrap circuitry.

Current-mode feedback control assures excellent line and load regulation and a wide loop bandwidth for excellent response to fast load transients. Current is sensed across either the Vds of the top FET or across an external current-sense resistor connected in series with the drain of the top FET. Current limit is independently adjustable for each channel.

The LM2642 features analog soft-start circuitry that is independent of the output load and output capacitance. This makes the soft-start behavior more predictable and controllable than traditional soft-start circuits.

A PGOOD1 pin is provided to monitor the dc output of channel 1. Over-voltage protection is available for both outputs. A UV-Delay pin is also available to allow delayed shut off time for the IC during an output under-voltage event.

  • Two Synchronous Buck Regulators
  • 180° Out of Phase Operation
  • 4.5V to 30V Input Range
  • Power Good Function Monitors Ch.1
  • 37µA Shutdown Current
  • 0.04% (typical) Line and Load Regulation Error
  • Current Mode Control With or Without a Sense Resistor
  • Independent Enable/Soft-start Pins Allow Simple Sequential Startup Configuration.
  • Configurable for Single Output Parallel Operation.
  • Adjustable Cycle-by-Cycle Current Limit
  • Input Under-voltage Lockout
  • Output Over-voltage Latch Protection
  • Output Under-voltage Protection with Delay
  • Thermal Shutdown
  • Self Discharge of Output Capacitors When the Regulator is OFF
  • TSSOP package

All trademarks are the property of their respective owners.

Vin (min) (V)4.5
Vin (max) (V)30
Vout (min) (V)1.238
Vout (max) (V)27
Iout (max) (A)6
Iq (typ) (mA)1
Switching frequency (min) (kHz)300
Switching frequency (max) (kHz)300
FeaturesAdjustable current limit, Enable, Phase Interleaving, Power good, Synchronous Rectification
Operating temperature range (°C)-40 to 125
Regulated outputs (#)2
Number of phases2
RatingCatalog
Control modecurrent mode
TypeController
TSSOP (PW)2862.08 mm² 9.7 x 6.4
产品购买
  • 商品型号
  • 封装
  • 工作温度
  • 包装
  • 价格
  • 现货库存
  • 操作
10s
温馨提示:
订单商品问题请移至我的售后服务提交售后申请,其他需投诉问题可移至我的投诉提交,我们将在第一时间给您答复
返回顶部