h1_key

TI(德州仪器) LP2995
德州仪器 (TI) 全系列产品在线购买
  • TI(德州仪器) LP2995
  • TI(德州仪器) LP2995
  • TI(德州仪器) LP2995
  • TI(德州仪器) LP2995
  • TI(德州仪器) LP2995
  • TI(德州仪器) LP2995
立即查看
您当前的位置: 首页 > 电源管理 > 多通道 IC (PMIC) > LP2995
LP2995

LP2995

正在供货

DDR 终端稳压器

产品详情
  • 说明
  • 特性
  • 参数
  • 封装 | 引脚 | 尺寸

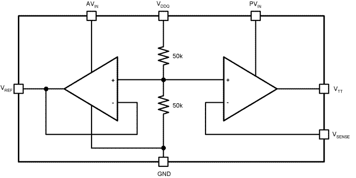
The LP2995 linear regulator is designed to meet the JEDEC SSTL-2 and SSTL-3 specifications for termination of DDR-SDRAM. The device contains a high-speed operational amplifier to provide excellent response to load transients. The output stage prevents shoot through while delivering 1.5A continuous current and transient peaks up to 3A in the application as required for DDR-SDRAM termination. The LP2995 also incorporates a VSENSE pin to provide superior load regulation and a VREF output as a reference for the chipset and DDR DIMMS.

  • Low Output Voltage Offset
  • Works with +5v, +3.3v and 2.5v Rails
  • Source and Sink Current
  • Low External Component Count
  • No External Resistors Required
  • Linear Topology
  • Available in SOIC-8, SO PowerPAD-8 or WQFN-16 Packages
  • Low Cost and Easy to Use

All trademarks are the property of their respective owners.

Vin (min) (V)2.2
Vin (max) (V)5.5
FeaturesNo external resistors
Iq (typ) (mA)0.25
RatingCatalog
Operating temperature range (°C)0 to 125
HSOIC (DDA)829.4 mm² 4.9 x 6
SOIC (D)829.4 mm² 4.9 x 6
WQFN (NHP)1616 mm² 4 x 4
产品购买
  • 商品型号
  • 封装
  • 工作温度
  • 包装
  • 价格
  • 现货库存
  • 操作
10s
温馨提示:
订单商品问题请移至我的售后服务提交售后申请,其他需投诉问题可移至我的投诉提交,我们将在第一时间给您答复
返回顶部