h1_key

TI(德州仪器) TPS54310
德州仪器 (TI) 全系列产品在线购买
  • TI(德州仪器) TPS54310
  • TI(德州仪器) TPS54310
  • TI(德州仪器) TPS54310
  • TI(德州仪器) TPS54310
  • TI(德州仪器) TPS54310
  • TI(德州仪器) TPS54310
立即查看
您当前的位置: 首页 > 电源管理 > 直流/直流开关稳压器 > 降压稳压器 > TPS54310
TPS54310

TPS54310

正在供货

3V 至 6V 输入、3A 同步降压转换器

产品详情
  • 说明
  • 特性
  • 参数
  • 封装 | 引脚 | 尺寸

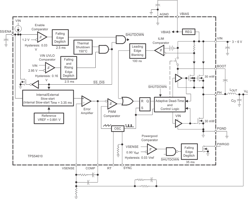
作为 TI 直流/直流稳压器系列的一员,TPS54310 低输入电压、高输出电流、同步降压 PWM 转换器集成了所有必需的有源组件。除了所列的特性外, 基板上 还包含一个真正的高性能电压误差放大器(可在瞬态条件下提供高性能);一个欠压锁定电路(用于防止启动时输入电压达到 3V);一个内部和外部设置的慢速启动电路(用于限制浪涌电流);以及一个电源正常状态输出(用于处理器/逻辑复位、故障信令和电源定序)。

TPS54310 器件采用热增强型 20 引脚 HTSSOP (PWP) PowerPAD™封装,这种封装免除了对大型散热装置的需要。TI 提供评估模块,有助于快速实现高性能电源设计,满足迫切的设备开发周期要求。

  • 60mΩ MOSFET 开关,可在 3A 连续输出拉电流或灌电流下实现高效率
  • 可调输出电压低至 0.9V,精度为 1%
  • 采用外部补偿方式实现设计灵活性
  • 快速瞬态响应
  • 宽泛的 PWM 频率:固定 350kHz、550kHz 或 280kHz 至 700kHz 可调
  • 负载受峰值电流限制和热关断保护
  • 集成解决方案可减少电路板面积和总成本
Vin (min) (V)3
Vin (max) (V)6
Vout (min) (V)0.9
Vout (max) (V)3.3
Iout (max) (A)3
Iq (typ) (mA)6.2
Switching frequency (min) (kHz)280
Switching frequency (max) (kHz)700
FeaturesEnable, Frequency synchronization, Power good, Synchronous Rectification
Operating temperature range (°C)-40 to 125
RatingCatalog
Regulated outputs (#)1
Control modeVoltage mode
Duty cycle (max) (%)87
TypeConverter
HTSSOP (PWP)2041.6 mm² 6.5 x 6.4
产品购买
  • 商品型号
  • 封装
  • 工作温度
  • 包装
  • 价格
  • 现货库存
  • 操作
10s
温馨提示:
订单商品问题请移至我的售后服务提交售后申请,其他需投诉问题可移至我的投诉提交,我们将在第一时间给您答复
返回顶部