h1_key

TI(德州仪器) UA78M
德州仪器 (TI) 全系列产品在线购买
  • TI(德州仪器) UA78M
  • TI(德州仪器) UA78M
  • TI(德州仪器) UA78M
  • TI(德州仪器) UA78M
  • TI(德州仪器) UA78M
  • TI(德州仪器) UA78M
立即查看
您当前的位置: 首页 > 电源管理 > 线性和低压降 (LDO) 稳压器 > UA78M
UA78M

UA78M

正在供货

500mA、30V 线性稳压器

产品详情
  • 说明
  • 特性
  • 参数
  • 封装 | 引脚 | 尺寸

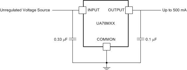
This series of fixed-voltage integrated-circuit voltage regulators is designed for a wide range of applications. The applications include on-card regulation for elimination of noise and distribution problems associated with single-point regulation. Each of these regulators can deliver up to 500 mA of output current. The internal current-limiting and thermal-shutdown features of these regulators essentially make them immune to overload. In addition to use as fixed-voltage regulators, these devices can be used with external components to obtain adjustable output voltages and currents and also as the power-pass element in precision regulators.

  • 3-Terminal Regulators
  • Output Current up to 500 mA
  • No External Components
  • Internal Thermal-Overload Protection
  • High Power-Dissipation Capability
  • Internal Short-Circuit Current Limiting
  • Output Transistor Safe-Area Compensation
  • APPLICATIONS
    • On-Card Regulation
    • Portable Devices
    • Computing & Servers
    • Telecommunications

All other trademarks are the property of their respective owners

Output optionsAdjustable Output, Fixed Output
Iout (max) (A)0.5
Vin (max) (V)30
Vin (min) (V)5.3
Vout (max) (V)12
Vout (min) (V)3.3
Fixed output options (V)3.3, 5, 6, 8, 9, 10, 12
Noise (µVrms)40
Iq (typ) (mA)4.5
Thermal resistance θJA (°C/W)23
RatingCatalog
Load capacitance (min) (µF)0.1
Regulated outputs (#)1
Accuracy (%)3
PSRR at 100 KHz (dB)40
Dropout voltage (Vdo) (typ) (mV)2000
Operating temperature range (°C)-40 to 125
SOT-223 (DCY)445.5 mm² 6.5 x 7
TO-220 (KCS)346.228 mm² 10.16 x 4.55
TO-252 (KVU)366.726 mm² 6.6 x 10.11
产品购买
  • 商品型号
  • 封装
  • 工作温度
  • 包装
  • 价格
  • 现货库存
  • 操作
10s
温馨提示:
订单商品问题请移至我的售后服务提交售后申请,其他需投诉问题可移至我的投诉提交,我们将在第一时间给您答复
返回顶部