h1_key

TI(德州仪器) TPS54616
德州仪器 (TI) 全系列产品在线购买
  • TI(德州仪器) TPS54616
  • TI(德州仪器) TPS54616
  • TI(德州仪器) TPS54616
  • TI(德州仪器) TPS54616
  • TI(德州仪器) TPS54616
  • TI(德州仪器) TPS54616
立即查看
您当前的位置: 首页 > 电源管理 > 直流/直流开关稳压器 > 降压稳压器 > TPS54616
TPS54616

TPS54616

正在供货

具有 3.3V 输出的 3V 至 6V 输入、6A 同步降压 SWIFT™ 转换器 

产品详情
  • 说明
  • 特性
  • 参数
  • 封装 | 引脚 | 尺寸

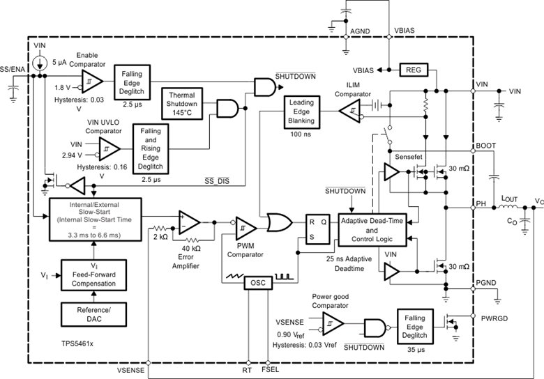
The SWIFT™ family of dc/dc regulators, the TPS54611, TPS54612, TPS54613, TPS54614, TPS54615 and TPS54616 low-input voltage high-output current synchronous-buck PWM converters integrate all required active components. Included on the substrate are true, high-performance, voltage error amplifiers that provide high performance under transient conditions; an under-voltage-lockout circuit to prevent start-up until the input voltage reaches 3 V; an internally and externally set slow-start circuit to limit in-rush currents; and a powergood output useful for processor/logic reset, fault signaling, and supply sequencing.

The TPS5461x devices are available in a thermally enhanced 28-pin TSSOP (PWP) PowerPAD™ package, which eliminates bulky heatsinks. TI provides evaluation modules and the SWIFT™ designer software tool to aid in quickly achieving high-performance power supply designs to meet aggressive equipment development cycles.

  • 30-mΩ, 12-A Peak MOSFET Switches for High Efficiency
    at 6-A Continuous Output Source and Sink
  • 0.9-V, 1.2-V, 1.5-V, 1.8-V, 2.5-V, and 3.3-V Fixed Output
    Voltage Devices With 1.0% Initial Accuracy
  • Internally Compensated for Easy Use and Minimal Component Count
  • Fast Transient Response
  • Wide PWM Frequency – Fixed 350 kHz, 550 kHz or Adjustable
    280 kHz to 700 kHz
  • Load Protected by Peak Current Limit and Thermal Shutdown
  • Integrated Solution Reduces Board Area and Total Cost
Vin (min) (V)4
Vin (max) (V)6
Vout (min) (V)3.3
Vout (max) (V)3.3
Iout (max) (A)6
Iq (typ) (mA)11
Switching frequency (min) (kHz)280
Switching frequency (max) (kHz)700
FeaturesEnable, Power good, Synchronous Rectification
Operating temperature range (°C)-40 to 125
RatingCatalog
Regulated outputs (#)1
Control modeVoltage mode
Duty cycle (max) (%)90
TypeConverter
HTSSOP (PWP)2862.08 mm² 9.7 x 6.4
产品购买
  • 商品型号
  • 封装
  • 工作温度
  • 包装
  • 价格
  • 现货库存
  • 操作
10s
温馨提示:
订单商品问题请移至我的售后服务提交售后申请,其他需投诉问题可移至我的投诉提交,我们将在第一时间给您答复
返回顶部