h1_key

TI(德州仪器) TPS62005
德州仪器 (TI) 全系列产品在线购买
  • TI(德州仪器) TPS62005
  • TI(德州仪器) TPS62005
  • TI(德州仪器) TPS62005
  • TI(德州仪器) TPS62005
  • TI(德州仪器) TPS62005
  • TI(德州仪器) TPS62005
立即查看
您当前的位置: 首页 > 电源管理 > 直流/直流开关稳压器 > 降压稳压器 > TPS62005
TPS62005

TPS62005

正在供货

采用 MSOP-10 封装的 1.8V 600mA 输出、95% 高效步降转换器

产品详情
  • 说明
  • 特性
  • 参数
  • 封装 | 引脚 | 尺寸

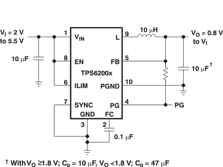
The TPS6200x devices are a family of low-noise synchronous step-down DC/DC converters that are ideally suited for systems powered from a 1-cell Li-ion battery or from a 2- to 3-cell NiCd, NiMH, or alkaline battery. The TPS6200x operates typically down to an input voltage of 1.8 V, with a specified minimum input voltage of 2 V.

The TPS62000 operates over a free-air temperature range of –40°C to 85°C.The device is available in the 10-pin (DGS) microsmall outline package (VSSOP).

  • High-Efficiency Synchronous Step-Down
    Converter with More than 95% Efficiency
  • 2-V to 5.5-V Operating Input Voltage Range
  • Adjustable Output Voltage Range From 0.8 V to
    VIN
  • Fixed Output Voltage Options Available in 0.9 V,
    1 V, 1.2 V, 1.5 V, 1.8 V, 1.9 V, 2.5 V, and 3.3 V
  • Synchronizable to External Clock Signal up to
    1 MHz
  • Up to 600 mA Output Current
  • Pin-Programmable Current Limit
  • High Efficiency Over a Wide Load Current Range
    in Power Save Mode
  • 100% Maximum Duty Cycle for Lowest Dropout
  • Low-Noise Operation Antiringing Switch and
    PFM/PWM Operation Mode
  • Internal Softstart
  • 50-µA Quiescent Current (TYP)
  • Available in the 10-Pin Microsmall Outline
    Package (VSSOP)
  • Evaluation Module Available
Vin (min) (V)2
Vin (max) (V)5.5
Vout (min) (V)1.8
Vout (max) (V)1.8
Iout (max) (A)0.6
Iq (typ) (mA)0.05
Switching frequency (min) (kHz)500
Switching frequency (max) (kHz)1000
FeaturesAdjustable current limit, Enable, Frequency synchronization, Light load efficiency, Power good, Synchronous Rectification
Operating temperature range (°C)-40 to 85
RatingCatalog
Regulated outputs (#)1
Control modecurrent mode
Duty cycle (max) (%)100
TypeConverter
VSSOP (DGS)1014.7 mm² 3 x 4.9
产品购买
  • 商品型号
  • 封装
  • 工作温度
  • 包装
  • 价格
  • 现货库存
  • 操作
10s
温馨提示:
订单商品问题请移至我的售后服务提交售后申请,其他需投诉问题可移至我的投诉提交,我们将在第一时间给您答复
返回顶部