h1_key

TI(德州仪器) TPIC6C596
德州仪器 (TI) 全系列产品在线购买
  • TI(德州仪器) TPIC6C596
  • TI(德州仪器) TPIC6C596
  • TI(德州仪器) TPIC6C596
  • TI(德州仪器) TPIC6C596
  • TI(德州仪器) TPIC6C596
  • TI(德州仪器) TPIC6C596
立即查看
您当前的位置: 首页 > 电源管理 > LED 驱动器 > 汽车 LED 驱动器 > TPIC6C596
TPIC6C596

TPIC6C596

正在供货

汽车类 8 位移位寄存器

产品详情
  • 说明
  • 特性
  • 参数
  • 封装 | 引脚 | 尺寸

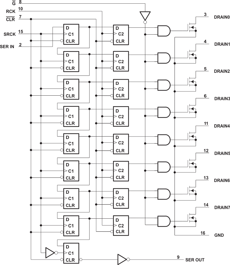
The TPIC6C596 device is a monolithic, medium-voltage, low-current, 8-bit shift register designed for use in systems that require relatively moderate load power such as LEDs. The device contains a built-in voltage clamp on the outputs for inductive transient protection. Power driver applications include relays, solenoids, and other low-current or medium-voltage loads.

This device contains an 8-bit serial-in, parallel-out shift register that feeds an 8-bit D-type storage register. Data transfers through both the shift and storage registers on the rising edge of the shift register clock (SRCK) and the register clock (RCK), respectively. The storage register transfers data to the output buffer when shift register clear (CLR) is high. When CLR is low, all registers in the device are cleared. When output enable (G) is held high, all data in the output buffers is held low and all drain outputs are off. When G is held low, data from the storage register is transparent to the output buffers. When data in the output buffers is low, the DMOS transistor outputs are off. When data is high, the DMOS transistor outputs have sink-current capability.

The serial output (SER OUT) is clocked out of the device on the falling edge of SRCK to provide additional hold time for cascaded applications. This will provide improved performance for applications where clock signals may be skewed, devices are not located near one another, or the system must tolerate electromagnetic interference.

Outputs are low-side, open-drain DMOS transistors with output ratings of 33 V and 100 mA continuous sink-current capability. Each output provides a 250-mA maximum current limit at TC = 25°C. The current limit decreases as the junction temperature increases for additional device protection. The device also provides up to 2500 V of ESD protection when tested using the human body model and the 200-V machine model.

The TPIC6C596 device is characterized for operation over the operating case temperature range of –40°C to 125°C.

  • Low RDS(on), 7 &3937; (Typical)
  • Avalanche Energy, 30 mJ
  • Eight Power DMOS Transistor Outputs
    of 100-mA Continuous Current
  • 250-mA Current Limit Capability
  • ESD Protection, 2500 V
  • Output Clamp Voltage, 33 V
  • Enhanced Cascading for Multiple Stages
  • All Registers Cleared With Single Input
  • Low Power Consumption
Number of channels8
TopologyCurrent Sink, Open drain, Shift Register
RatingAutomotive
Operating temperature range (°C)-40 to 125
Vin (min) (V)4.5
Vin (max) (V)5.5
Vout (max) (V)33
FeaturesEnable/Shutdown, Thermal shutdown
PDIP (N)16181.42 mm² 19.3 x 9.4
SOIC (D)1659.4 mm² 9.9 x 6
TSSOP (PW)1632 mm² 5 x 6.4
产品购买
  • 商品型号
  • 封装
  • 工作温度
  • 包装
  • 价格
  • 现货库存
  • 操作
10s
温馨提示:
订单商品问题请移至我的售后服务提交售后申请,其他需投诉问题可移至我的投诉提交,我们将在第一时间给您答复
返回顶部