h1_key

TI(德州仪器) LM3710
德州仪器 (TI) 全系列产品在线购买
  • TI(德州仪器) LM3710
  • TI(德州仪器) LM3710
  • TI(德州仪器) LM3710
  • TI(德州仪器) LM3710
  • TI(德州仪器) LM3710
  • TI(德州仪器) LM3710
立即查看
您当前的位置: 首页 > 电源管理 > 监控器和复位 IC > LM3710
LM3710

LM3710

正在供货

具有电源故障输入、低电平线路输出、手动复位和看门狗计时器的电压监控器和复位 IC

产品详情
  • 说明
  • 特性
  • 参数
  • 封装 | 引脚 | 尺寸

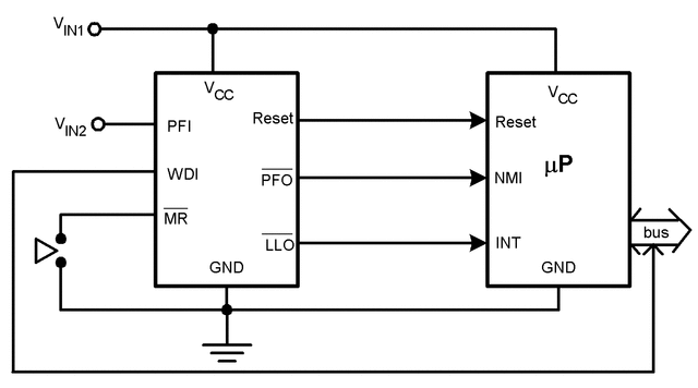
The LM3710/LM3711 series of microprocessor supervisory circuits provide the maximum flexibility for monitoring power supplies and battery controlled functions in systems without backup batteries. The LM3710/LM3711 series are available in VSSOP-10 and 9-bump DSBGA packages.

Built-in features include the following:

Reset: Reset is asserted during power-up, power-down, and brownout conditions. RESET is ensured down to VCC of 1.0V.

Manual Reset Input: An input that asserts reset when pulled low.

Power-Fail Input: A 1.225V threshold detector for power fail warning, or to monitor a power supply other than VCC.

Low Line Output: This early power failure warning indicator goes low when the supply voltage drops to a value which is 2% higher than the reset threshold voltage.

Watchdog Timer: The WDI (Watchdog Input) monitors one of the µP's output lines for activity. If no output transition occurs during the watchdog timeout period, reset is activated.

  • Standard Reset Threshold Voltage: 3.08V
  • Custom Reset Threshold Voltages: For other voltages between 2.2V and 5.0V in 10mV increments, contact TI
  • No External Components Required
  • Manual-Reset Input
  • RESET (LM3710) or RESET (LM3711) Outputs
  • Precision Supply Voltage Monitor
  • Factory Programmable Reset and Watchdog Timeout Delays
  • Separate Power Fail Comparator
  • Available in DSBGA Package for Minimum Footprint
  • ±0.5% Reset Threshold Accuracy at Room Temperature
  • ±2% Reset Threshold Accuracy Over Temperature Extremes
  • Reset Assertion Down to 1V VCC (RESET Option Only)
  • 28 µA VCC Supply Current

All trademarks are the property of their respective owners.

Number of supplies monitored2
Threshold voltage 1 (typ) (V)2.32, 3.08, 4.63
FeaturesManual reset capable, PFI/PFO, Timeout watchdog, Undervoltage monitor only, Watchdog timer
Reset threshold accuracy (%)0.5
Iq (typ) (mA)0.028
Output driver type/reset outputActive-low, Open-drain, Push-Pull
Time delay (ms)28, 200
Supply voltage (min) (V)1
Supply voltage (max) (V)5.5
RatingCatalog
Watchdog timer WDI (s)0.1, 1.6
Operating temperature range (°C)-40 to 85
VSSOP (DGS)1014.7 mm² 3 x 4.9
产品购买
  • 商品型号
  • 封装
  • 工作温度
  • 包装
  • 价格
  • 现货库存
  • 操作
10s
温馨提示:
订单商品问题请移至我的售后服务提交售后申请,其他需投诉问题可移至我的投诉提交,我们将在第一时间给您答复
返回顶部