h1_key

TI(德州仪器) LP3965
德州仪器 (TI) 全系列产品在线购买
  • TI(德州仪器) LP3965
  • TI(德州仪器) LP3965
  • TI(德州仪器) LP3965
  • TI(德州仪器) LP3965
  • TI(德州仪器) LP3965
  • TI(德州仪器) LP3965
立即查看
您当前的位置: 首页 > 电源管理 > 线性和低压降 (LDO) 稳压器 > LP3965
LP3965

LP3965

正在供货

具有感应和使能功能的 1.5A、低压降稳压器

产品详情
  • 说明
  • 特性
  • 参数
  • 封装 | 引脚 | 尺寸

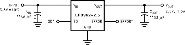
The LP3962/LP3965 series of fast ultra low-dropout linear regulators operate from a +2.5V to +7.0V input supply. Wide range of preset output voltage options are available. These ultra low dropout linear regulators respond very fast to step changes in load which makes them suitable for low voltage microprocessor applications. The LP3962/LP3965 are developed on a CMOS process which allows low quiescent current operation independent of output load current. This CMOS process also allows the LP3962/LP3965 to operate under extremely low dropout conditions.

Dropout Voltage: Ultra low dropout voltage; typically 38mV at 150mA load current and 380mV at 1.5A load current.

Ground Pin Current: Typically 5mA at 1.5A load current.

Shutdown Mode: Typically 15µA quiescent current when the shutdown pin is pulled low.

Error Flag: Error flag goes low when the output voltage drops 10% below nominal value (for LP3962).

SENSE: Sense pin improves regulation at remote loads. (For LP3965)

Precision Output Voltage: Multiple output voltage options are available ranging from 1.2V to 5.0V and adjustable (LP3965), with a specified accuracy of ±1.5% at room temperature, and ±3.0% over all conditions (varying line, load, and temperature).

  • Ultra Low Dropout Voltage
  • Low Ground Pin Current
  • Load Regulation of 0.04%
  • 15µA Quiescent Current in Shutdown Mode
  • Specified Output Current of 1.5A DC
  • Available in SOT-223,SFM/TO-263 and TO-220 Packages
  • Output Voltage Accuracy ± 1.5%
  • Error Flag Indicates Output Status (LP3962)
  • Sense Option Improves Better Load Regulation (LP3965)
  • Extremely Low Output Capacitor Requirements
  • Overtemperature/Overcurrent Protection
  • −40°C to +125°C Junction Temperature Range

All trademarks are the property of their respective owners.

Output optionsAdjustable Output, Fixed Output
Iout (max) (A)1.5
Vin (max) (V)7
Vin (min) (V)2.5
Vout (max) (V)5
Vout (min) (V)1.215
Fixed output options (V)1.8, 2.5, 3.3
Noise (µVrms)150
Iq (typ) (mA)4
Thermal resistance θJA (°C/W)50
RatingCatalog
Load capacitance (min) (µF)33
Regulated outputs (#)1
FeaturesEnable, Power good
Accuracy (%)3
PSRR at 100 KHz (dB)32
Dropout voltage (Vdo) (typ) (mV)380
Operating temperature range (°C)-40 to 125
SOT-223 (NDC)545.24 mm² 6.5 x 6.96
TO-220 (NDH)586.0552 mm² 10.16 x 8.47
TO-263 (KTT)5154.8384 mm² 10.16 x 15.24
产品购买
  • 商品型号
  • 封装
  • 工作温度
  • 包装
  • 价格
  • 现货库存
  • 操作
10s
温馨提示:
订单商品问题请移至我的售后服务提交售后申请,其他需投诉问题可移至我的投诉提交,我们将在第一时间给您答复
返回顶部