h1_key

TI(德州仪器) LM1084
德州仪器 (TI) 全系列产品在线购买
  • TI(德州仪器) LM1084
  • TI(德州仪器) LM1084
  • TI(德州仪器) LM1084
  • TI(德州仪器) LM1084
  • TI(德州仪器) LM1084
  • TI(德州仪器) LM1084
立即查看
您当前的位置: 首页 > 电源管理 > 线性和低压降 (LDO) 稳压器 > LM1084
LM1084

LM1084

正在供货

5.5A、29V 线性稳压器

产品详情
  • 说明
  • 特性
  • 参数
  • 封装 | 引脚 | 尺寸

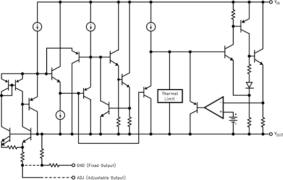
The LM1084 is a regulator with a maximum dropout of 1.5 V at 5 A of load current. The device has the same pinout as TI’s industry standard LM317.

Two resistors are required to set the output voltage of the adjustable output voltage version of the LM1084. Fixed output voltage versions integrate the adjust resistors.

The LM1084 circuit includes a zener trimmed bandgap reference, current limiting, and thermal shutdown.

Refer to LM1085 for the 3A version, and the LM1086 for the 1.5A version.

  • Available in 3.3-V, 5.0-V, and Adjustable Versions
  • Current Limiting and Thermal Protection
  • Output Current 5 A
  • Industrial Temperature Range –40°C to 125°C
  • Line Regulation 0.015% (Typical)
  • Load Regulation 0.1% (Typical)
Output optionsAdjustable Output, Fixed Output
Iout (max) (A)5.5
Vin (max) (V)29
Vin (min) (V)2.6
Vout (max) (V)27.5
Vout (min) (V)1.25
Fixed output options (V)3.3, 5
Noise (µVrms)38
Iq (typ) (mA)5
Thermal resistance θJA (°C/W)23
RatingCatalog
Load capacitance (min) (µF)10
Regulated outputs (#)1
Accuracy (%)1.5
PSRR at 100 KHz (dB)30
Dropout voltage (Vdo) (typ) (mV)1300
Operating temperature range (°C)-40 to 125
TO-220 (NDE)346.5328 mm² 10.16 x 4.58
TO-263 (KTT)3154.8384 mm² 10.16 x 15.24
产品购买
  • 商品型号
  • 封装
  • 工作温度
  • 包装
  • 价格
  • 现货库存
  • 操作
10s
温馨提示:
订单商品问题请移至我的售后服务提交售后申请,其他需投诉问题可移至我的投诉提交,我们将在第一时间给您答复
返回顶部