h1_key

TI(德州仪器) UCC3808A-1
德州仪器 (TI) 全系列产品在线购买
  • TI(德州仪器) UCC3808A-1
  • TI(德州仪器) UCC3808A-1
  • TI(德州仪器) UCC3808A-1
  • TI(德州仪器) UCC3808A-1
  • TI(德州仪器) UCC3808A-1
  • TI(德州仪器) UCC3808A-1
立即查看
您当前的位置: 首页 > 电源管理 > 交流/直流和隔离式直流/直流开关稳压器 > PWM 控制器 > UCC3808A-1
UCC3808A-1

UCC3808A-1

正在供货

具有放电晶体管、12.5/8.3V UVLO、温度范围为 0°C 至 70°C 的低功耗电流模式推挽式 PWM

产品详情
  • 说明
  • 特性
  • 参数
  • 封装 | 引脚 | 尺寸

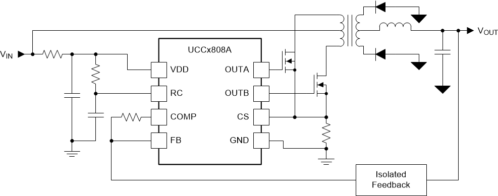
UCCx808A 器件是一系列 BiCMOS 推挽式高速低功耗脉宽调制器。UCCx808A 包含离线或直流/直流固定频率电流模式开关电源所需的全部控制和驱动电路,同时最大限度减少了外部器件数。

UCCx808A 双路输出驱动级以推挽配置方式排列。两个输出均利用一个切换触发器在振荡器频率的一半处进行切换。两个输出间的死区时间通常为 60ns 至 200ns,具体取决于计时电容器和电阻器的值,因此可将每个输出级占空比的值限制为小于 50%。

UCCx808A 系列提供各种封装选项和温度范围选项,并支持选择欠压锁定电平。此系列器件具有适用于离线和电池供电系统的 UVLO 阈值和磁滞选项。

UCCx808A 是 UCC3808 系列的增强版本。两者之间的最大差异在于,A 版本在 CS 引脚与地之间采用一个内部放电晶体管,该晶体管在振荡器死区时间期间的每个时钟周期内都保持激活状态。此特性会在每个周期期间对 CS 引脚上的任何滤波电容进行放电,这有助于最大限度减小滤波电容器的值并缩短电流检测延时。

  • 采用推挽配置的双路输出驱动级
  • 采用了用于改善动态响应的电流检测放电晶体管
  • 130µA 典型启动电流
  • 1mA 典型运行电流
  • 工作频率至 1MHz
  • 内部软启动
  • 增益带宽积为 2MHz 的片上误差放大器
  • 片上 VDD 钳位
  • 能够提供 500mA 峰值拉电流和 1A 峰值灌电流的输出驱动级
TopologyPush pull
Control modeCurrent
Duty cycle (max) (%)49
Switching frequency (max) (kHz)1000
FeaturesError amplifier, Multi-topology, Soft start
UVLO thresholds on/off (V)12.5/8.3
Operating temperature range (°C)0 to 70
RatingCatalog
Gate drive (typ) (A)1
Vin (max) (V)14
SOIC (D)829.4 mm² 4.9 x 6
产品购买
  • 商品型号
  • 封装
  • 工作温度
  • 包装
  • 价格
  • 现货库存
  • 操作
10s
温馨提示:
订单商品问题请移至我的售后服务提交售后申请,其他需投诉问题可移至我的投诉提交,我们将在第一时间给您答复
返回顶部