h1_key

TI(德州仪器) LM2674
德州仪器 (TI) 全系列产品在线购买
  • TI(德州仪器) LM2674
  • TI(德州仪器) LM2674
  • TI(德州仪器) LM2674
  • TI(德州仪器) LM2674
  • TI(德州仪器) LM2674
  • TI(德州仪器) LM2674
立即查看
您当前的位置: 首页 > 电源管理 > 直流/直流开关稳压器 > 降压稳压器 > LM2674
LM2674

LM2674

正在供货

元件数量较少的 SIMPLE SWITCHER® 40V、500mA 降压稳压器

产品详情
  • 说明
  • 特性
  • 参数
  • 封装 | 引脚 | 尺寸

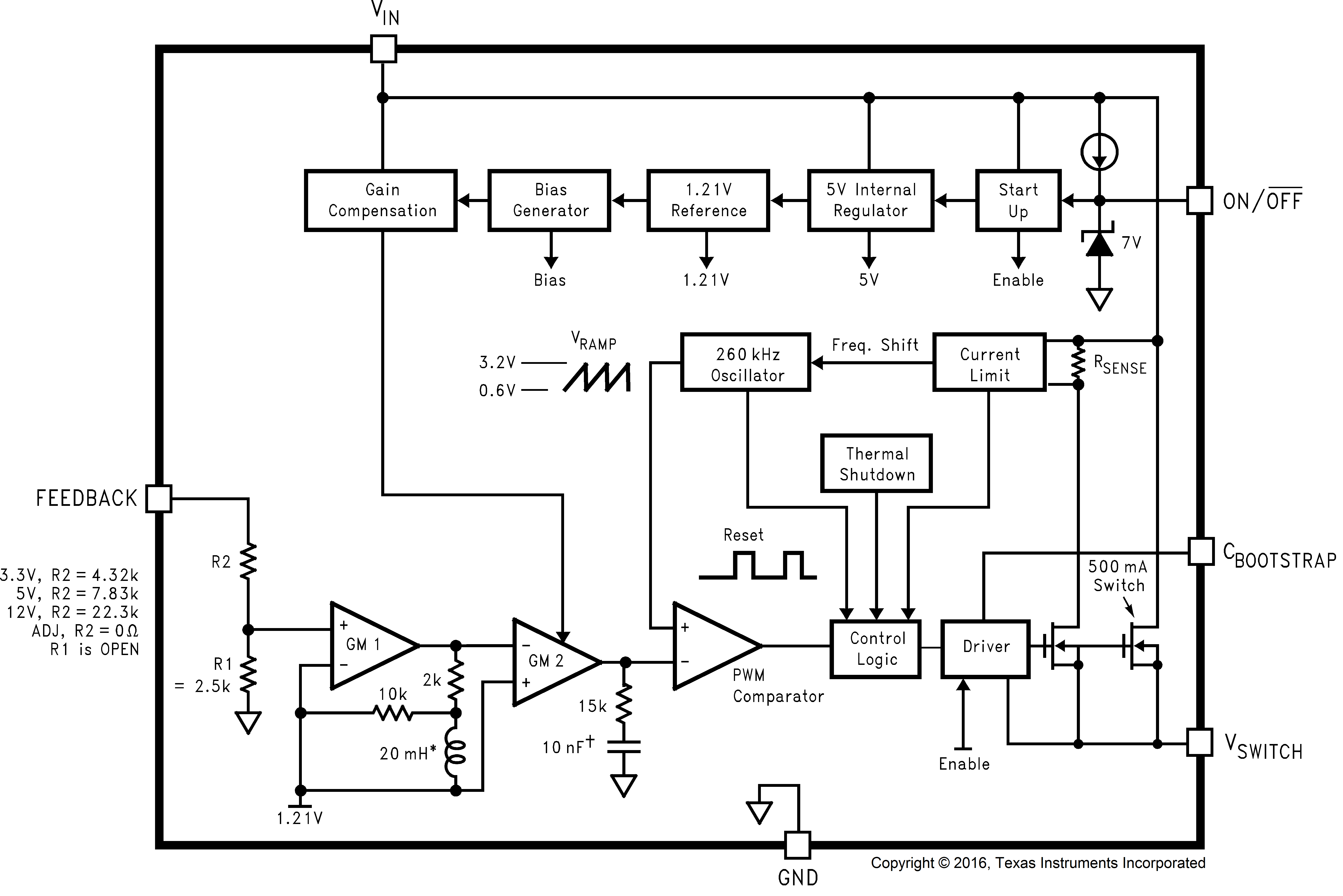
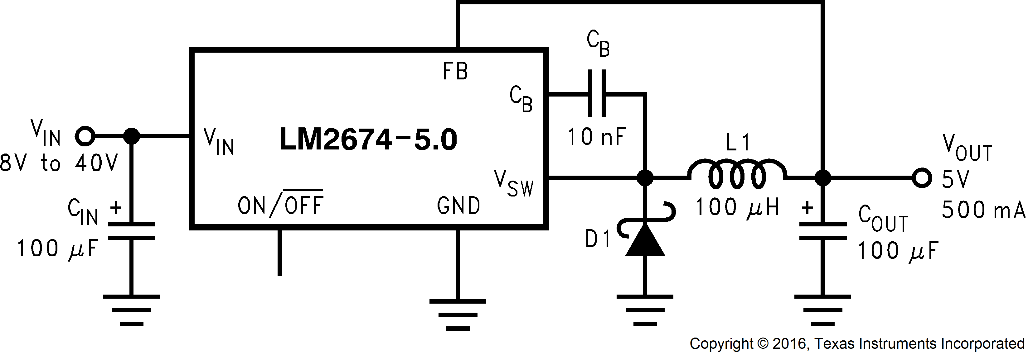
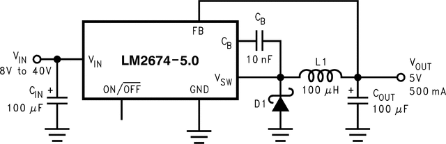
LM2674 系列稳压器是采用 LMDMOS 工艺构建的单片集成电路。该系列稳压器提供降压开关稳压器的全部有效功能,能够驱动 500mA 负载电流,并具有出色的线性调整率和负载调整率。这些器件可提供 3.3V、5V、12V 固定输出电压和可调节输出电压版本。

这类稳压器不仅需要很少的外部元件,而且简单易用,还具有获得专利的内部频率补偿和固定频率振荡器。

LM2674 系列在 260kHz 的开关频率下运行,因此采用的滤波器元件可比更低频率的开关稳压器所需的元件尺寸更小。由于效率非常高 (> 90%),只需通过印刷电路板上的覆铜线迹进行散热。

数家不同的生产商提供的标准电感器系列均可与 LM2674 搭配使用。使用这些先进的 IC,此特性极大地简化了开关模式电源的设计。数据表中还包含针对在开关模式电源中工作的二极管和电容器的选择器指南。

  • 推出的新产品:
    • LMR36506 3V 至 65V、0.6A、200kHz 至 2.2MHz 同步转换器
  • 用于加快上市速度:
    • TPSM365R6 3V 至 65V、0.6A、200kHz 至 2.2MHz 电源模块
  • 效率高达 96%
  • 采用 8 引脚 SOIC、PDIP 和 16 引脚 WSON 封装
  • 简单且易于设计
  • 只需要五个外部元件
  • 使用现成的标准电感器
  • 3V、5V、12V 和可调输出版本
  • 可调版本输出电压范围为 1.21V 至 37V
  • 在线路和负载条件下具有 ±1.5% 的最大输出电压容差
  • 可确保 500mA 输出负载电流
  • 0.25Ω DMOS 输出开关
  • 8V 至 40V 的宽输入电压范围
  • 260kHz 固定频率内部振荡器
  • TTL 关断功能、低功耗待机模式
  • 热关断和电流限制保护
  • 使用 LM2674 并借助 WEBENCH® Power Designer 创建定制设计方案
Vin (min) (V)6.5
Vin (max) (V)40
Vout (min) (V)1.23
Vout (max) (V)37
Iout (max) (A)0.5
Iq (typ) (mA)2.5
Switching frequency (min) (kHz)260
Switching frequency (max) (kHz)260
FeaturesEnable, Over Current Protection
Operating temperature range (°C)-40 to 125
RatingCatalog
Regulated outputs (#)1
Control modeVoltage mode
Duty cycle (max) (%)95
TypeConverter
PDIP (P)892.5083 mm² 9.81 x 9.43
SOIC (D)829.4 mm² 4.9 x 6
WSON (NHN)1625 mm² 5 x 5
产品购买
  • 商品型号
  • 封装
  • 工作温度
  • 包装
  • 价格
  • 现货库存
  • 操作
10s
温馨提示:
订单商品问题请移至我的售后服务提交售后申请,其他需投诉问题可移至我的投诉提交,我们将在第一时间给您答复
返回顶部