h1_key

TI(德州仪器) LM2675
德州仪器 (TI) 全系列产品在线购买
  • TI(德州仪器) LM2675
  • TI(德州仪器) LM2675
  • TI(德州仪器) LM2675
  • TI(德州仪器) LM2675
  • TI(德州仪器) LM2675
  • TI(德州仪器) LM2675
立即查看
您当前的位置: 首页 > 电源管理 > 直流/直流开关稳压器 > 降压稳压器 > LM2675
LM2675

LM2675

正在供货

元件数量较少的 SIMPLE SWITCHER® 6.5V 至 40V、1A 降压稳压器

产品详情
  • 说明
  • 特性
  • 参数
  • 封装 | 引脚 | 尺寸

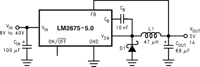
The LM2675 series of regulators are monolithic integrated DC-DC converter circuits built with a LMDMOS process. These regulators provide all the active functions for a step-down (buck) switching regulator, capable of driving a 1-A load current with excellent line and load regulation. These devices are available in fixed output voltages of 3.3 V, 5 V, 12 V, and an adjustable output version.

Requiring a minimum number of external components, these regulators are simple to use and include patented internal frequency compensation and a fixed frequency oscillator.

The LM2675 series operates at a switching frequency of 260 kHz, thus allowing smaller-sized filter components than what would be needed with lower frequency switching regulators. Because of its very high efficiency (>90%), the copper traces on the printed-circuit board are the only heat sinking needed.

A family of standard inductors for use with the LM2675 are available from several different manufacturers. This feature greatly simplifies the design of switch-mode power supplies using these advanced ICs. Also included in the data sheet are selector guides for diodes and capacitors designed to work in switch-mode power supplies.

Other features include ±1.5%-tolerance on output voltage within specified input voltages and output load conditions, and ±10% on the oscillator frequency. External shutdown is included, featuring typically 50-µA standby current. The output switch includes current limiting, as well as thermal shutdown for full protection under fault conditions.

  • Efficiency up to 96%
  • Available in 8-Pin SOIC, PDIP, and 16-Pin WSON
    Package
  • Requires only 5 External Components
  • 3.3-V, 5-V, 12-V, and Adjustable Output Versions
  • Adjustable Version Output Voltage Range: 1.21 V
    to 37 V
  • ±1.5% Maximum Output Voltage Tolerance Over
    Line and Load Conditions
  • Ensured 1-A Output Load Current
  • Wide Input Voltage Range: 8 V to 40 V
  • 260-kHz Fixed Frequency Internal Oscillator
  • TTL Shutdown Capability, Low-Power Standby
    Mode
  • Thermal Shutdown and Current Limit Protection
Vin (min) (V)6.5
Vin (max) (V)40
Vout (min) (V)1.23
Vout (max) (V)37
Iout (max) (A)1
Iq (typ) (mA)2.5
Switching frequency (min) (kHz)260
Switching frequency (max) (kHz)260
FeaturesEnable, Over Current Protection
Operating temperature range (°C)-40 to 125
RatingCatalog
Regulated outputs (#)1
Control modeVoltage mode
Duty cycle (max) (%)95
TypeConverter
PDIP (P)892.5083 mm² 9.81 x 9.43
SOIC (D)829.4 mm² 4.9 x 6
WSON (NHN)1625 mm² 5 x 5
产品购买
  • 商品型号
  • 封装
  • 工作温度
  • 包装
  • 价格
  • 现货库存
  • 操作
10s
温馨提示:
订单商品问题请移至我的售后服务提交售后申请,其他需投诉问题可移至我的投诉提交,我们将在第一时间给您答复
返回顶部