h1_key

TI(德州仪器) LM2672
德州仪器 (TI) 全系列产品在线购买
  • TI(德州仪器) LM2672
  • TI(德州仪器) LM2672
  • TI(德州仪器) LM2672
  • TI(德州仪器) LM2672
  • TI(德州仪器) LM2672
  • TI(德州仪器) LM2672
立即查看
您当前的位置: 首页 > 电源管理 > 直流/直流开关稳压器 > 降压稳压器 > LM2672
LM2672

LM2672

正在供货

元件数量较少的 SIMPLE SWITCHER® 6.5V 至 40V、1A 降压稳压器

产品详情
  • 说明
  • 特性
  • 参数
  • 封装 | 引脚 | 尺寸

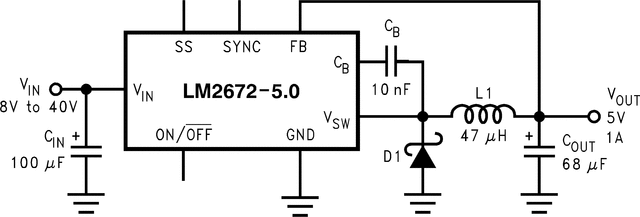
The LM2672 series of regulators are monolithic integrated DC-DC converter built with a LMDMOS process. These regulators provide all the active functions for a step-down (buck) switching regulator, capable of driving a 1-A load current with excellent line and load regulation. These devices are available in fixed output voltages of 3.3 V, 5 V, 12 V, and an adjustable output version.

Requiring a minimum number of external components, these regulators are simple to use and include patented internal frequency compensation, fixed frequency oscillator, external shutdown, soft-start, and frequency synchronization.

The LM2672 series operates at a switching frequency of 260 kHz, thus allowing smaller sized filter components than what is required with lower frequency switching regulators. Because of its very high efficiency (>90%), the copper traces on the printed-circuit board are the only heat sinking required.

  • Efficiency up to 96%
  • Available in 8-Pin SOIC and PDIP Packages
  • Requires only 5 External Components
  • 3.3-V, 5-V, 12-V, and Adjustable Output Versions
  • Adjustable Version Output Voltage Range: 1.21 V
    to 37 V
  • ±1.5% Maximum Output Voltage Tolerance Over
    Line and Load Conditions
  • Specified 1-A Output Load Current
  • Wide Input Voltage Range: 8 V to 40 V
  • 260-kHz Fixed Frequency Internal Oscillator
  • TTL Shutdown Capability, Low Power Standby
    Mode
  • Soft-Start and Frequency Synchronization
  • Thermal Shutdown and Current Limit Protection
Vin (min) (V)6.5
Vin (max) (V)40
Vout (min) (V)1.23
Vout (max) (V)37
Iout (max) (A)1
Iq (typ) (mA)2.5
Switching frequency (min) (kHz)225
Switching frequency (max) (kHz)400
FeaturesEnable, Over Current Protection
Operating temperature range (°C)-40 to 125
RatingCatalog
Regulated outputs (#)1
Control modeVoltage mode
Duty cycle (max) (%)95
TypeConverter
PDIP (P)892.5083 mm² 9.81 x 9.43
SOIC (D)829.4 mm² 4.9 x 6
WSON (NHN)1625 mm² 5 x 5
产品购买
  • 商品型号
  • 封装
  • 工作温度
  • 包装
  • 价格
  • 现货库存
  • 操作
10s
温馨提示:
订单商品问题请移至我的售后服务提交售后申请,其他需投诉问题可移至我的投诉提交,我们将在第一时间给您答复
返回顶部